Электромагнит ПЭ-35 (к гидрораспределителю Ду 6мм.)
✓ Сертифицированное оборудование
✓ Гарантия надежной эксплуатации
✓ Контроль качества на каждом этапе
✓ Современное оборудование
✓ Быстрая отгрузка
Основные технические данные
| 1. Номинальный ход якоря, мм | 2,5 |
|---|---|
| 2. Полный ход якоря, мм, не менее | 6 |
| 3. Тяговое усилие при номинальном ходе якоря, Н, не менее | 25 |
| 4. Потребляемая мощность, Вт | 35 |
| 5. Допустимое отклонение питающего напряжения от номинала, %, не более | ±10 |
| 6. Масса, кг, не более | 0,5 |

Мы предлагаем электромагниты ПЭ-35 для гидравлических распределителей с условным проходом Ду=6 мм. Доставка осуществляется по всей России со склада.
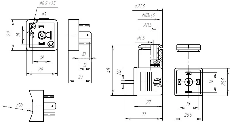
Электромагнит ПЭ-35 предназначен для дистанционного управления гидрораспределителями с условным проходом Ду 6 мм, такими как ВЕ6, 1РЕ6, МРЭ6, ПЕ6 и другими. Для мобильной техники рекомендуется использовать электромагнит ПЭ36. Этот электромагнит является полным аналогом КВМ35 и ЭМ24. Катушка изолирована стеклонаполненным полиамидом, а металлические элементы, контактирующие с внешней средой, защищены от коррозии. Электромагнит имеет ряд характеристик: он изготовлен с «мокрым якорем», оснащен кнопкой ручного включения, рабочее давление жидкости в его полости составляет 6 МПа, а степень защиты при подключении с использованием различных соединителей составляет IP54 или IP65 в зависимости от типа соединителя. Производство электромагнитного привода ПЭ35 с электрическим соединителем 2РМГ прекращено, для аналогичных разъемов рекомендуется применять привод типа ПЭ36.