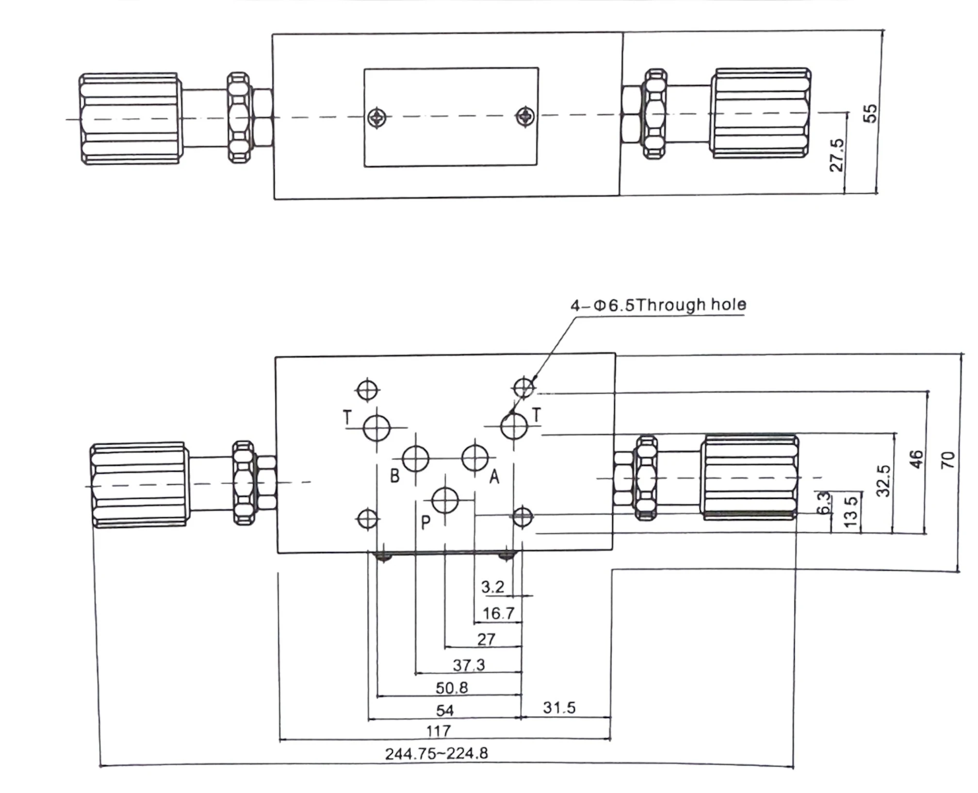
Гидродроссель ДКМ10/3A (DLA-03-A) - с обратным клапаном
✓ Сертифицированное оборудование
✓ Гарантия надежной эксплуатации
✓ Контроль качества на каждом этапе
✓ Современное оборудование
✓ Быстрая отгрузка
Технические характеристики:
Условный проход, мм.: 10
Номинальное давление на выходе, МПа: 31,5
Номинальная подача, л/мин: 50
Тип монтажа: модульный

Дроссель гидравлический DL представляет собой важный компонент в гидравлических системах, обеспечивающий регулирование потока жидкости и поддержание необходимого уровня давления. Он функционирует, изменяя проходное сечение, что ведет к изменению гидравлического сопротивления и, как следствие, к регулировке потока и перепада давления в системе.
Ключевые характеристики дросселя DL:
1. **Материал и фильтрация**: Работает на минеральных маслах с тонкостью фильтрации 25 мкм, что обеспечивает защиту от загрязнений и долгий срок службы устройства.
2. **Вязкость**: Способен функционировать при вязкости масла от 10 до 200 сСт, что делает его универсальным для различных условий эксплуатации.
3. **Температурные режимы**: Операционные температуры масла колеблются в диапазоне от +10 до +70°C, а температура окружающей среды — от +1 до +40°C, что позволяет использовать дроссель в различных климатических условиях.
4. **Регулирование потоков**: Изменение проходного сечения дросселя позволяет точно настраивать условия работы гидросистемы, что необходимо для достижения эффективной работы гидроприводов и других компонентов.
Дроссели гидравлические являются неотъемлемой частью многих промышленных и строительных машин, а также в системах управления, где требуется стабильность и точность работы гидравлических цепей.