Гидродроссель ДКС-12
✓ Сертифицированное оборудование
✓ Гарантия надежной эксплуатации
✓ Контроль качества на каждом этапе
✓ Современное оборудование
✓ Быстрая отгрузка
Технические характеристики:
Условный проход, мм.: 12
Номинальное давление на выходе, МПа: 32
Номинальный расход рабочей жидкости, л./мин: 25
Масса, кг.: 5

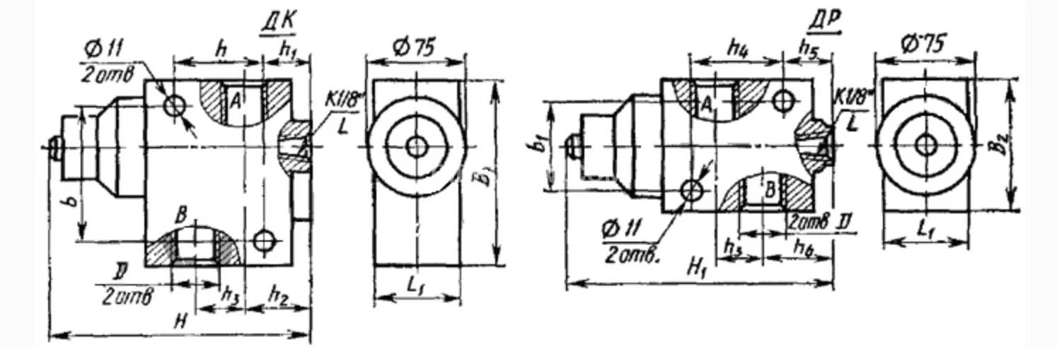
Гидродроссели моделей ДК-12, ДК-С-12, ДР-12, ДР-С-12, ДК-20, ДК-С-20, ДР-20, ДР-С-20, ДК-32, ДК-С-32, ДР-32, ДР-С-32 с обратным клапаном предназначены для контроля скорости работы исполнительных механизмов гидрофицированных машин за счет изменения объема потока рабочей жидкости. Дроссели модели ДК обеспечивают беспрепятственный поток рабочей жидкости в обратном направлении.
По типу управления, гидродроссели ДК, ДК-С, ДР и ДР-С относятся к ручным устройствам.
В зависимости от способа подключения к гидролинии, дроссели подразделяются на:
- с резьбовым соединением (модели ДК и ДР);
- со стыковым соединением (модели ДК-С и ДР-С).