гидродроссель смазочный ДРЖ-10
✓ Сертифицированное оборудование
✓ Гарантия надежной эксплуатации
✓ Контроль качества на каждом этапе
✓ Современное оборудование
✓ Быстрая отгрузка
Технические характеристики:
Условный проход, мм.: 10
Номинальное давление на выходе, МПа: 0,4
Номинальный расход рабочей жидкости, л./мин: 1
Габаритные размеры, мм.: 100x74x54
Масса, кг.: 1,6

Смазочные дроссели контролируют подачу и позволяют визуально отслеживать расход жидкого смазочного материала с кинематической вязкостью от 4 до 400 мм²/с (сСт) при температуре окружающей среды от 1 до 55°С и температуре самого смазочного материала от 5 до 50°С.
Эти дроссели производятся для использования в условиях умеренного климата (исполнение УХЛ4) и в тропических районах (исполнение 04 согласно ГОСТ 1510-69).
Дроссели смазочные соответствуют стандартам ТУ 24.00.10.016-88.
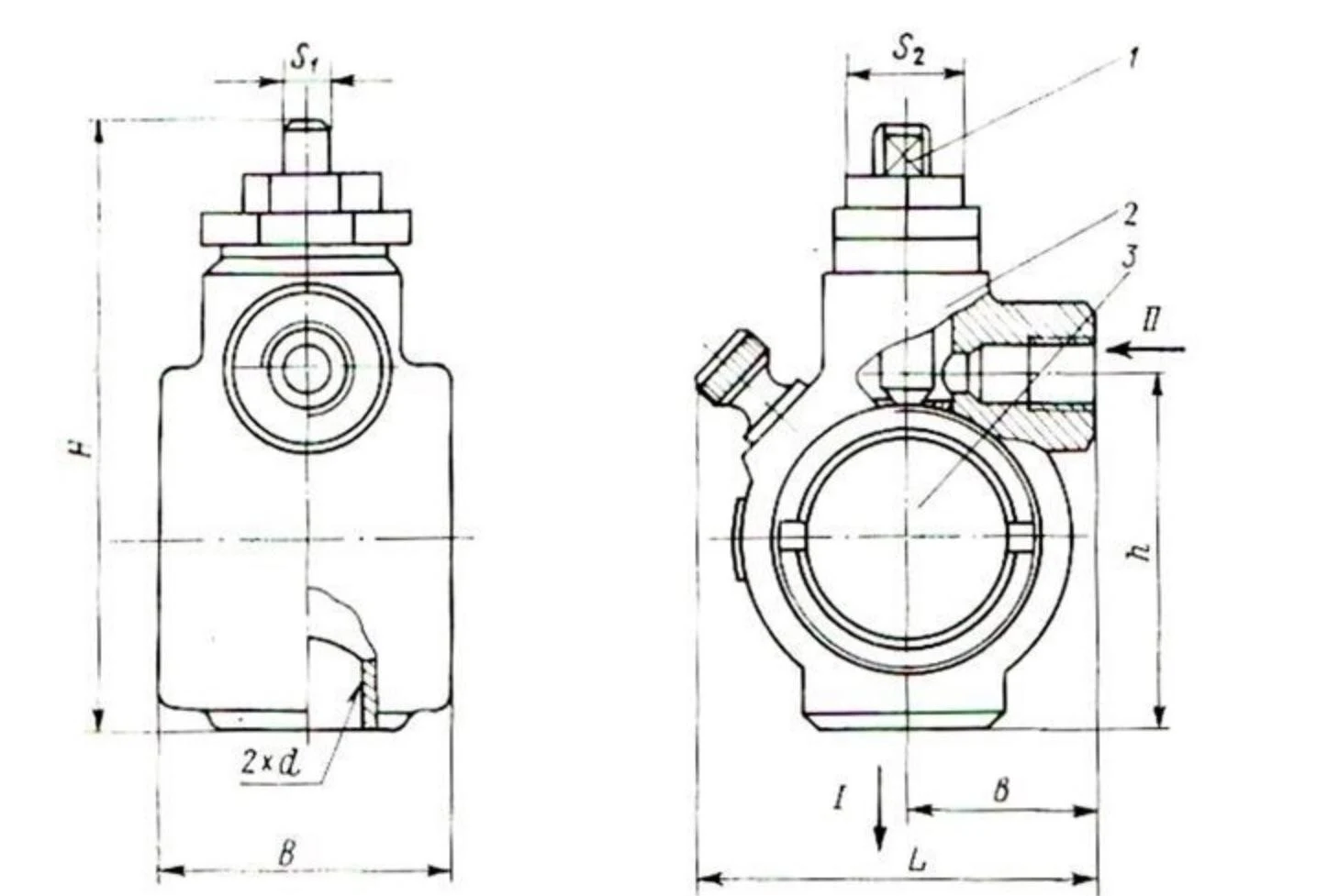
Смазочный дроссель типа ДРЖ (дроссель регулирования жиро-водяного сочленения) предназначен для регулировки и контроля расхода жидкого смазочного материала, обеспечивая эффективную смазку различных машин и механизмов.
Смазочный дроссель ДРЖ предназначен для регулирования расхода смазочного материала в системах смазки машин и механизмов. Основные элементы дросселя включают корпус, регулировочный элемент, уплотнения и патрубки, а также по желанию манометр и индикатор расхода. Принцип работы дросселя заключается в следующем: смазочный материал поступает в дроссель через входной патрубок, после чего управляющий элемент изменяет площадь прохода, позволяя регулировать поток жидкости. При открытии дросселя поток увеличивается, а при закрытии — уменьшается. Это обеспечивает точное управление подачей смазки. Визуальные или измерительные элементы позволяют контролировать расход, что препятствует недостаточной или избыточной подаче смазочного материала. После регулировки смазочный материал выходит через выходной патрубок и подается к узлам машины, требующим смазки. Таким образом, смазочный дроссель ДРЖ способствует эффективному и надежному регулированию подачи смазочного материала, снижая износ и продлевая срок службы оборудования.