Гидроклапан предохранительный CG2V/6CW10 VICKERS
✓ Сертифицированное оборудование
✓ Гарантия надежной эксплуатации
✓ Контроль качества на каждом этапе
✓ Современное оборудование
✓ Быстрая отгрузка
Основные параметры клапана:
Диаметр условного прохода - 10 мм
Давление нагнетания ном. - 35 МПа
Расход рабочей жидкости ном. - 200 л
Присоединение : стыковое

Особенности и преимущества
Точное соответствие требованиям благодаря выбору из четырех диапазонов регулирования, которые варьируются от 3 до 350 бар (от 44 до 5000 фунтов на квадратный дюйм). Электрическое включение и отключение нагрузки осуществляется с помощью моделей с электромагнитным управлением. Возможно дистанционное параллельное управление другими пилотными клапанами, подключенными к порту сброса давления. Машина демонстрирует высокую производительность, так как весь расход системы остаётся доступным в работе до тех пор, пока давление не приблизится к значению, установленному для клапана. Управление давлением оптимизировано и не затрагивает другие рабочие показатели. Отличная повторяемость и стабильность работы обеспечиваются картриджной конструкцией основных элементов. Потери мощности без нагрузки минимальны. Существуют международные монтажные интерфейсы. Установка обладает низкой стоимостью и требует небольшого пространства благодаря высокому соотношению мощности к размерам (более чем вдвое лучше многих стандартных конструкций).
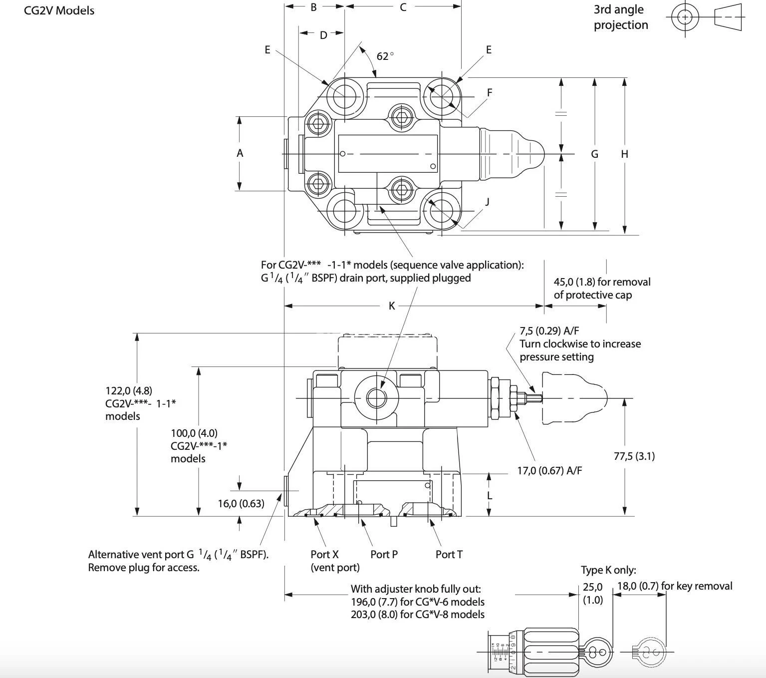
Что касается характеристик управления клапанами CG2V, то ручная регулировка давления обсуждается в разделе «Установочные размеры». Гидравлическое дистанционное управление, а также дистанционная регулировка давления могут осуществляться с помощью пилотного предохранительного клапана,