Гидроклапан DB15G2-41/100 Rexroth
✓ Сертифицированное оборудование
✓ Гарантия надежной эксплуатации
✓ Контроль качества на каждом этапе
✓ Современное оборудование
✓ Быстрая отгрузка
Основные параметры клапана:
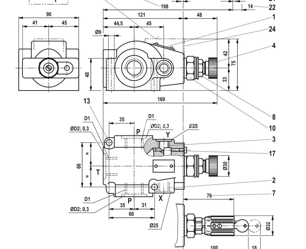
Диаметр условного прохода - 10 мм
Давление нагнетания ном. - 35 МПа
Расход рабочей жидкости ном. - 350 л
Присоединение : резьбовое

Для установки на плите расположение портов соответствует стандартам ISO 6264-06-09 (NG10),ISO 6264-08-13 (NG25) и ISO 6264-10-17 (NG32). Соединение выполняется с помощью резьбы. Разгрузка осуществляется с помощью электромагнита через установленный направляющий золотниковый клапан или направляющий седельный клапан. Клапан имеет мощный электромагнит и, при желании (для типа DBW),может демпфировать удары при переключении. Конструкция защищена от коррозии и соответствует требованиям CE в соответствии с Директивой о низковольтном оборудовании 2014/35/EU для электрических напряжений более 50 В переменного тока или 75 В постоянного тока. Катушка электромагнита сертифицирована с маркировкой UR согласно стандарту UL 906, издание 1982 года, опционально.
Клапаны давления типов DB и DBW представляют собой предохранительные клапаны с пилотным управлением, предназначенные для ограничения давления (DB) или ограничения и электромагнитной разгрузки (DBW). Они состоят из главного клапана с вставкой основного золотника и пилотного регулирующего клапана с элементом регулировки давления. В клапане DB давление, подаваемое в канал P, воздействует на главный золотник. Одновременно оно подается на подпружиненную сторону основного золотника и на шар в пилотном клапане через управляющие линии, которые имеют сопла. Когда давление в канале P превышает установленное значение пружины, шар открывается. Сигнал для этого поступает из канала P через управляющие линии. Гидравлическая жидкость на подпружиненной стороне основного золотника поступает в пружинную камеру и далее в бак. Сопла вызывают падение давления на основном золотнике, что приводит к открытию соединения из канала P в канал T. Гидравлическая жидкость теперь движется из канала P в канал T, поддерживая установленное рабочее давление. Предохранительный клапан может быть разгружен или переключен на другое давление через порт X.