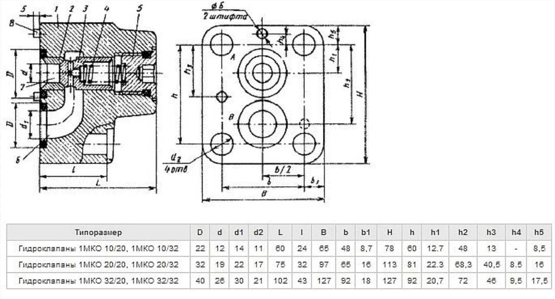
Гидроклапан обратный 1МКО10/32
✓ Сертифицированное оборудование
✓ Гарантия надежной эксплуатации
✓ Контроль качества на каждом этапе
✓ Современное оборудование
✓ Быстрая отгрузка
Основные параметры клапана:
Диаметр условного прохода - 10 мм
Давление нагнетания ном. - 32 МПа
Расход рабочей жидкости ном. - 40 л/мин
Тип монтажа: стыковой

Гидроклапаны обратного типа стыкового исполнения 1МКО предназначены для того, чтобы обеспечить свободный поток рабочей жидкости в одном направлении в объемных гидроприводах и заблокировать поток в обратном направлении.
Эти гидроклапаны работают с минеральными маслами, имеющими фильтрацию не грубее 25 мкм и кинематическую вязкость от 10 до 400 мм².
Установка обратных гидроклапанов 1МКО выполняется непосредственно на гидропанели или промежуточной плите и фиксируется винтами. При монтаже 1МКО можно разместить в вертикальной, горизонтальной или наклонной ориентации.
Тип присоединения для 1МКО соответствует присоединительной плоскости по ГОСТ 21464-76.