✓ Сертифицированное оборудование
✓ Гарантия надежной эксплуатации
✓ Контроль качества на каждом этапе
✓ Современное оборудование
✓ Быстрая отгрузка
Гидрораспределители
Гидрозамки
Гидродроссели
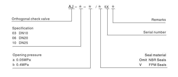
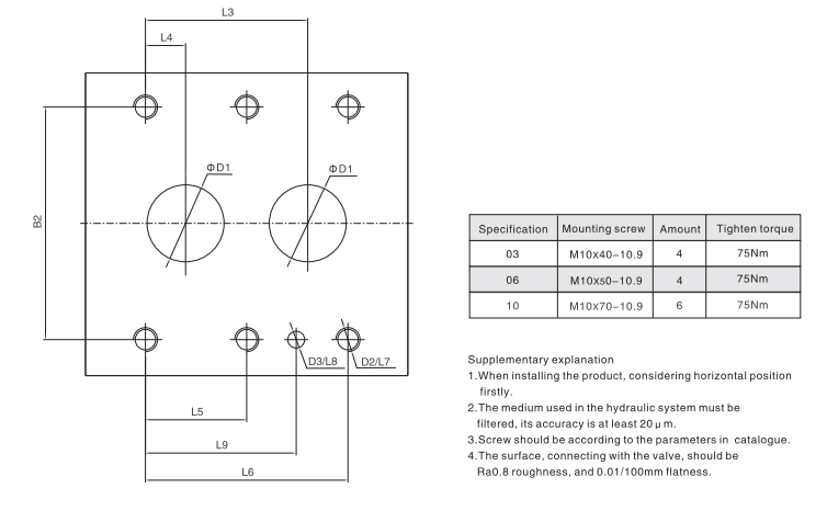
Гидроклапана
Гидронасосы
Гидромоторы
Фильтры
Пневматика
Теплообменники
Гидростанции, смазка
Муфты электромагнитные
Регуляторы потока и давления
Реле и датчики давления
Прочее
Корзина пуста


