Каталог
0

Гидроклапан обратный КОМ6/3 (DA-02-P-70)

Нет на складе
Есть в наличии
0
2 250
+
Безопасность и конфиденциальность

Сертифицированное оборудование

Гарантия надежной эксплуатации

Гарантия доставки

Контроль качества на каждом этапе

Современное оборудование

Быстрая отгрузка

Описание

Условное обозначение

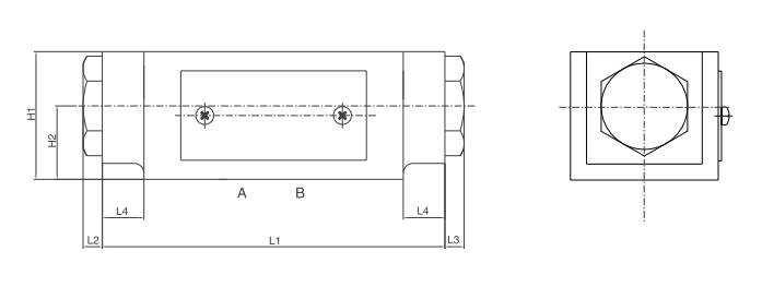
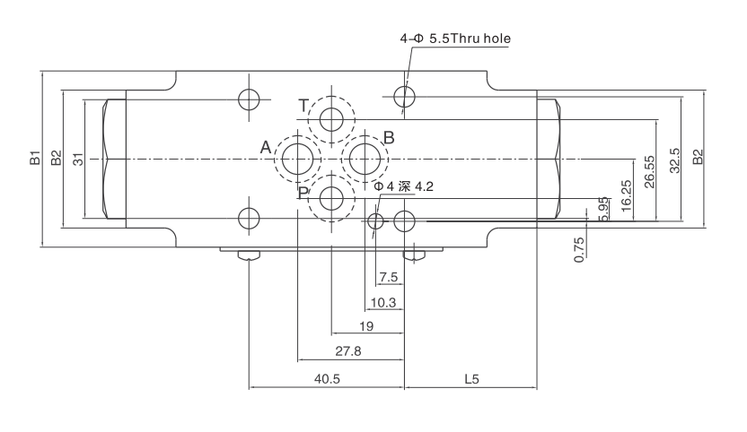
Габаритные и присоединительные размеры