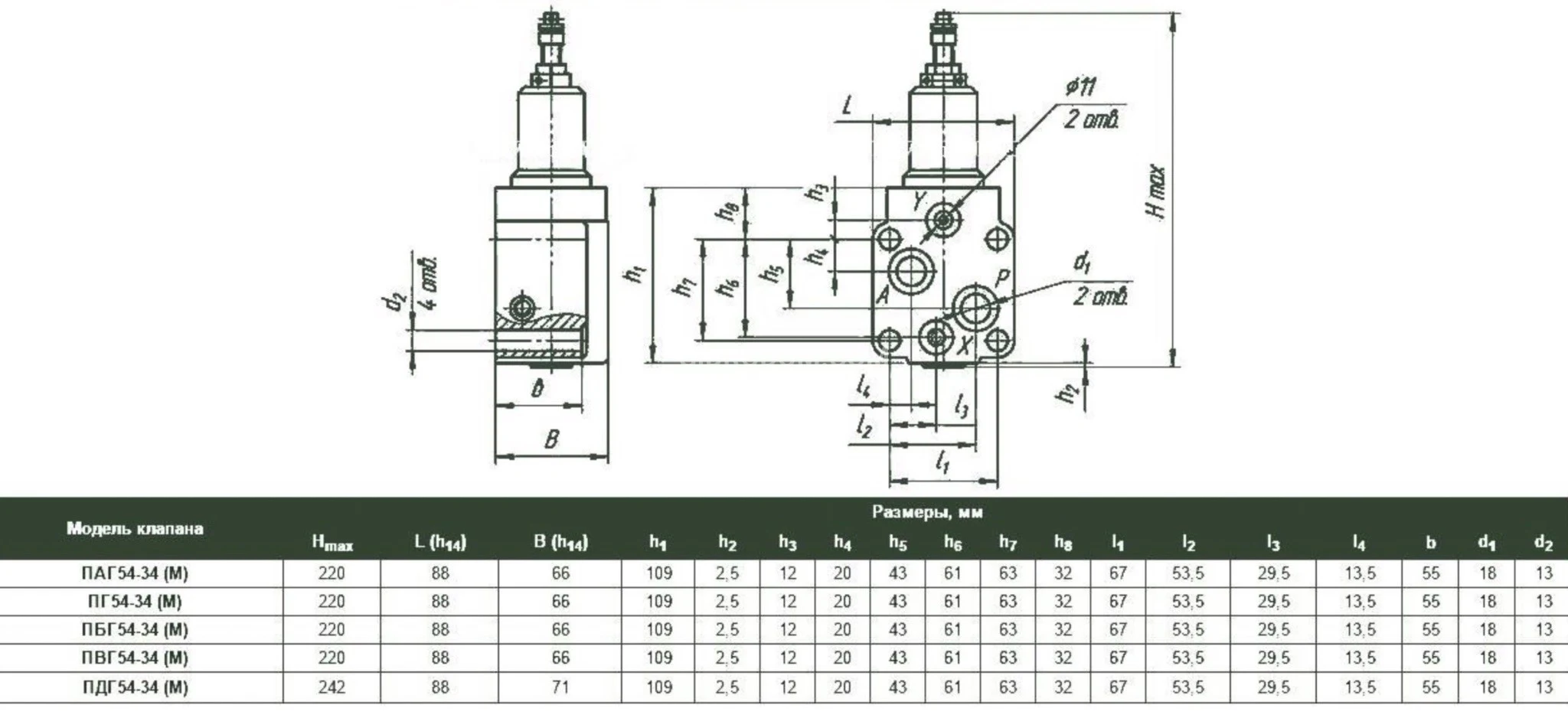
Гидроклапан ПДГ54-34М
✓ Сертифицированное оборудование
✓ Гарантия надежной эксплуатации
✓ Контроль качества на каждом этапе
✓ Современное оборудование
✓ Быстрая отгрузка
Основные параметры клапана:
Диаметр условного прохода - 20 мм
Давление нагнетания ном. - 20 МПа
Расход рабочей жидкости ном. - 125 л/мин
Тип монтажа: стыковой


Гидравлические промышленные клапаны (гидроклапаны) давления, стыкового монтажа, являются элементами гидроаппаратуры, предназначенной для регулировки давления в гидравлических системах, применяемых в машиностроении, а также в гидравлических приводах металлообрабатывающих и деревообрабатывающих станков, для кузнечно-прессового оборудования и аналогичных машин. Эти клапаны обеспечивают защиту и нормальную работу исполнительных механизмов.
В системах гидроприводов гидроклапаны выполняют следующие функции:
Гидроклапаны разности давлений поддерживают установленные значения давления в соответствии с настройками нагрузочной пружины на входе и выходе или в одном канале и стороннем потоке. Гидроклапаны последовательности обеспечивают беспрепятственное движение гидравлического масла при достижении необходимого давления в соответствии с настройками пружины в данном подводе управления. Предохранительный гидроклапан защищает гидравлическое оборудование и его компоненты от перепадов давления, превышающих установленное рабочее значение. Переливной гидравлический клапан поддерживает заданное давление за счет постоянного сброса гидравлического масла в процессе работы.
Что касается схем применения, то в первом случае с использованием данной схемы поддерживается установленный интервал давления путем настройки нагрузочной пружины в подводе и отводе гидравлического масла. Во втором случае, согласно схеме, осуществляется движение потока гидравлической жидкости при достижении установленного давления в канале X, что также зависит от настройки пружины. В третьем случае поток масла может двигаться в любом из двух направлений при достижении заданного интервала давления в управляющих каналах X и Y на основе настройки пружины. В последнем случае, согласно представленной схеме, поток гидравлического масла проходит через клапан, когда достигается установленное давление, также учитывающее настройки пружины и давление в канале Y.
В расточке корпуса 1 установлен золотник 2, который прижимается к торцу с помощью пружины 4, усилие которой регулируется винтом 5. Гидроклапаны давления для стыкового монтажа отличаются от аналогичных для трубного монтажа конструкцией корпуса. Уплотнение стыковой поверхности осуществляется при помощи резинок круглого сечения. В гидроклапане давления по схеме 1 рабочая жидкость поступает в полость Р корпуса 1 и через каналы в и ж, а также через демпферное отверстие, попадает под торец золотника 2. Давление жидкости на золотник уравновешивается силой пружины 4. Когда давление в подводящей линии повышается и превышает силу пружины, золотник поднимается, соединяя полости подвода Р и отвода А. Полость е под колпачком 3 связана с полостью отвода А через канал б, что позволяет поддерживать постоянную разницу давлений, определяемую усилием пружины, независимо от изменений в гидросистеме. Для уменьшения колебаний золотника предусмотрено небольшое отверстие к.
При работе гидроклапана по схеме 2 в канале в установлен пробка 7, а через канал г подводится управляющий поток к торцу золотника 2. Когда давление в управляющем потоке превышает силу пружины, золотник поднимается и соединяет полости Р и А, обеспечивая постоянную разницу давлений между управляющим и отводимым потоками. В схеме 3 каналы б и в заглушаются пробками 6 и 7, полость е соединяется с баком или управляющим потоком через канал а, в который подается управляющий поток. Когда давление в нем достигает заданной величины, золотник 2 соединяет полости Р и А, что позволяет пропускать поток рабочей жидкости. В схеме 4 в канале б устанавливается пробка 6, а полость я под колпачком 3 связывается с баком или управляющим потоком, что дает возможность пропускать поток при достижении определенного давления.
При распаковке гидроклапана снимите верхнюю крышку упаковки, стараясь не повредить изделие. Перед установкой гидроклапана трубного монтажа удалите полиэтиленовые заглушки из корпуса, вверните штуцеры и присоедините трубопроводы. Для стыкового монтажа снимите полиэтиленовую крышку и закрепите гидроклапан к плите с помощью винтов, предварительно установив уплотнительные кольца. Гидроклапаны следует хранить упакованными в сухом, проветриваемом помещении при температуре от 5 до 40 °С и относительной влажности не более 80% при 25 °С. Они предназначены для работы с чистыми минеральными маслами с кинематической вязкостью от 20 до 200 мм²/c и температурой от 10 до 70 °С при окружающей температуре от 1 до 55 °С. Рекомендуемые масла И-20А, И-30А, И-40А и другие по ГОСТам.
Если вязкость рабочей жидкости изменится более чем на 20% от начальной, необходимо выполнить замену. Рабочая жидкость должна соответствовать не ниже 12-го класса чистоты по ГОСТу с использованием фильтров с номинальной тонкостью фильтрации 10 мкм. Количество механических примесей в масле не должно превышать 0,005% по массе, а воды — 0,05%. Гидроклапаны должны быть интегрированы в гидросистему так, чтобы орган управления находился в безопасном и удобном для обслуживания месте, а трубы имели проходные сечения, соответствующие размерам соединительных отверстий, исключая уменьшение сечений и вмятины. Присоединения должны гарантировать полную герметичность для предотвращения утечек масла и подсосов воздуха. Перед началом работы воздух из гидросистемы нужно удалить. Для пломбировки регулировочного узла аппарата предусмотрены отверстия диаметром 2 мм в колпачке и винте после настройки.