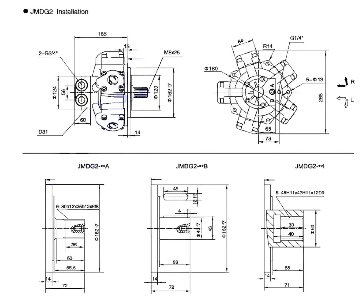
Гидромотор радиально-поршневой высокомоментный JMDG2-250
✓ Сертифицированное оборудование
✓ Гарантия надежной эксплуатации
✓ Контроль качества на каждом этапе
✓ Современное оборудование
✓ Быстрая отгрузка
Технические характеристики:
Рабочий объем, см3: 250
Номинальная подача, л/мин: 254
Номинальное давление на выходе, МПа: 20
Частота вращения, об./мин.: 300
Масса, кг: 28

JMDG представляет собой один из типов низкоскоростных радиально-поршневых гидромоторов, которые обладают высоким крутящим моментом. Он находит широкое применение в таких отраслях, как нефтяная, химическая, горнодобывающая, судостроительная и строительная, особенно в оборудовании для литья пластмасс под давлением, гидравлических лебедках, трансмиссиях и других механизмах.
ХАРАКТЕРИСТИКИ:
- Низкий уровень шума
- Высокий пусковой крутящий момент (механический КПД выше 0,9) и хорошая стабильность при низких оборотах
- Высокий объемный КПД
- Увеличенный механический КПД
- Возможность реверсивного вращения
- Способность работать под радиальными и осевыми нагрузками
- Высокое соотношение мощности к весу (кВт/кг)
ПРИНЦИП РАБОТЫ:
Масло под высоким давлением поступает в цилиндр и воздействует на поршень, который опускается. Поршень соединен с коленчатым валом, и в результате происходит его вращение вместе с маслораспределителем. Когда поршень достигает нижней точки, цилиндр переполняется маслом, после чего поршень возвращается в исходное положение. Пять поршней работают последовательно, обеспечивая непрерывное вращение коленчатого вала. Если масло течет в противоположном направлении, вал вращается в другую сторону.
ОСНОВНЫЕ ТРЕБОВАНИЯ:
1. В зависимости от температуры окружающей среды и условий работы, выбранное масло должно иметь высокие параметры вязкости, пеногашения, антиокислительных и антикоррозийных свойств, а также высокую температуру вспышки. Во время эксплуатации вязкость масла должна находиться в пределах (25–70) × 10^-m%, а содержание кислот, щелочей и механических примесей в воде не должно превышать допустимые нормы.
2. Необходимая точность фильтрации: более 25 мкм при номинальных условиях работы.
3. Температура масла должна поддерживаться в диапазоне от 25 до 55°C при обычном использовании и не должна превышать 65°C при периодической работе.
4. При нормальных условиях максимальное давление на корпус двигателя не должно превышать 0,1 МПа, так как высокое давление может привести к повреждению масляного уплотнения и утечке масла.
5. Двигатель может работать без происшествий, пока противодавление не превышает 0,2 МПа. При недостаточном противодавлении двигатель функционирует на низких оборотах с перекосом.
6. Двигатель и нагрузка должны быть правильно выровнены. Шлицевой вал и шлицевое отверстие рабочего механизма должны совпадать, обеспечивая необходимое скользящее соединение.
7. Запрещено использовать двигатель в режиме насоса.