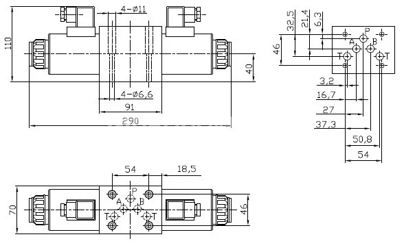
Гидрораспределитель 4WE10 J33/CW 230 N9K4/MH Rexroth
✓ Сертифицированное оборудование
✓ Гарантия надежной эксплуатации
✓ Контроль качества на каждом этапе
✓ Современное оборудование
✓ Быстрая отгрузка
Основные технические данные
Условный проход : 10мм
Рабочее давление: 35МПа
Пропускная способность: 120л.
Напряжение: 12DC, 24DC, 110AC, 220AC
Тип монтажа: модульный (стыковой, плиточный)
Масса : 4,5 кг с одним эл.магнитом, 6,1 кг - с двумя эл.магнитами
Схема распределения потока рабочей жидкости:


Распределители типа WE представляют собой устройства, оснащенные электромагнитами, которые управляют запуском, остановкой и направлением потока жидкости. Их конструкция включает корпус, содержащий один или два электромагнита, управляющий механизм и одно или два возвратных устройства. При отсутствии питания управляющий механизм остается в нейтральном положении благодаря возвратным пружинам, за исключением моделей с импульсными функциями. Управление золотником осуществляется с помощью мокрого штифта электромагнитов, и необходимо, чтобы камера давления электромагнита была заполнена жидкостью для правильной работы.
Сила, создаваемая электромагнитами, передается через плунжер на механизм управления, что позволяет ему перемещаться из нейтрального положения в конечное, тем самым направляя поток от порта P к A и от B к T или наоборот — от P к B и от A к T. При отключении питания управляющий механизм возвращается в нейтральное состояние под действием возвратных пружин.
Модель 4WE 10 предназначена для распределителей, имеющих два переключения и два электромагнита, однако она не оснащена фиксирующим механизмом. Это означает, что при отключении электромагнитов распределитель не сохраняет четко фиксируемое положение.
Существует альтернативная версия, тип 4WE 10., представляющая собой импульсный золотник для обозначений A, C и D. Эта версия включает фиксирующий механизм и предназначена для распределителей с двумя переключениями и двумя электромагнитами, где оба положения переключаются и фиксируются поочередно, что устраняет необходимость в постоянном питании для электромагнита.
Важно отметить, что резкие колебания давления в линии, которая соединяет несколько клапанов, могут привести к нежелательным движениям золотника, особенно в случае использования клапанов с фиксирующими механизмами. В связи с этим рекомендуется либо использовать отдельную линию, либо установить обратный клапан в этой линии.
Что касается картриджного дросселя, его установка становится необходимой, если в специфических условиях эксплуатации возникают потоки, превышающие допустимые значения, указанные в спецификациях клапана. Дроссель устанавливается в канале P распределителя. Установленные пределы мощности переключения предназначены для приложений с двумя направлениями потока: от P к A и обратно от B к T. Однако допустимый уровень мощности может значительно снижаться, если поток осуществляется только в одном направлении. Для получения дополнительных разъяснений в подобных случаях рекомендуется консультация со специалистами. Параметры мощности, даже во время переключения, были измерены с электромагнитами при рабочей температуре с учетом 10% под напряжением и при отсутствии обратного давления в системе.