Гидрораспределитель 4WE10 J50/E G24 Rexroth
✓ Сертифицированное оборудование
✓ Гарантия надежной эксплуатации
✓ Контроль качества на каждом этапе
✓ Современное оборудование
✓ Быстрая отгрузка
Основные технические данные
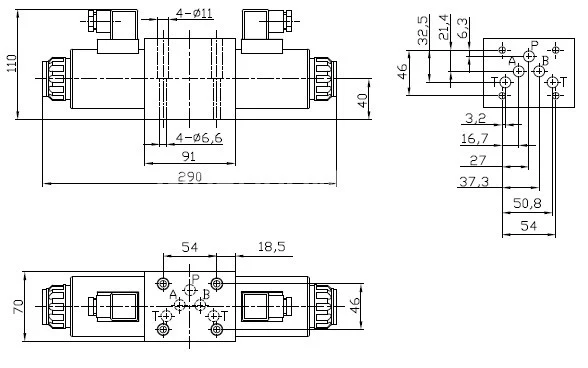
Условный проход : 10мм
Рабочее давление: 35МПа
Пропускная способность: 120л.
Напряжение: 12DC, 24DC, 110AC, 220AC
Тип монтажа: модульный (стыковой, плиточный)
Масса : 4,5 кг с одним эл.магнитом, 6,1 кг - с двумя эл.магнитами
Схема распределения потока рабочей жидкости:


Распределители типа WE представляют собой устройства с электромагнитами, которые контролируют запуск, остановку и направление течения. Их конструкция состоит из корпуса с одним или двумя электромагнитами, управляющего механизма и одного или двух возвратных устройств. При отключении питания, управляющий механизм сохраняет нейтральное состояние благодаря возвратным пружинам, за исключением моделей с импульсным функционированием. Управление золотником осуществляется при помощи мокрого штифта электромагнитов. Для корректного функционирования необходимо, чтобы камера давления электромагнита была заполнена жидкости.
Сила, создаваемая электромагнитами, передается через плунжер на управляющий механизм, что позволяет ему перемещаться из нейтрального положения в необходимое конечное, что способствует движению потока от порта P к A и от B к T или наоборот – от P к B и от A к T. При отключении питания, управляющий механизм возвращается в нейтральное состояние под действием возвратных пружин.
Модель 4WE 10 предназначена для распределителей с двумя переключениями и двумя электромагнитами, но не имеет механизма фиксации. При отключении электромагнитов распределитель не располагает четким переключаемым положением.
Альтернативная версия, тип 4WE 10., представляет собой импульсный золотник для обозначений A, C и D. Эта версия включает механизм фиксации и подходит для распределителей с двумя переключениями и двумя электромагнитами. В этом случае оба положения переключаются и фиксируются поочередно, устраняя необходимость в постоянном питании для электромагнита.
Важно отметить, что резкие колебания давления в линии, подающей к нескольким клапанам, могут вызвать нежелательные движения золотника, особенно при использовании клапанов с фиксирующими механизмами. Поэтому рекомендуется применять отдельную линию или устанавливать обратный клапан в этой линии.
Что касается картриджного дросселя , его установка необходима, если в результате специфических условий работы возникают потоки, превышающие допустимые значения, указанные в характеристиках клапана. Дроссель устанавливается в канале P распределителя. Установленные пределы мощности переключения предназначены для приложений с двумя направлениями потока: от P к A и обратно от B к T. Однако допустимый уровень мощности может существенно уменьшаться, если поток осуществляется только в одном направлении. Для дополнительных разъяснений в аналогичных случаях рекомендуется проконсультироваться. Параметры мощности даже в процессе переключения были измерены с электромагнитами при рабочей температуре с учетом 10% под напряжением и при отсутствии обратного давления в системе.