Гидрораспределитель DKS 1633/1 ATOS
✓ Сертифицированное оборудование
✓ Гарантия надежной эксплуатации
✓ Контроль качества на каждом этапе
✓ Современное оборудование
✓ Быстрая отгрузка
Основные технические данные
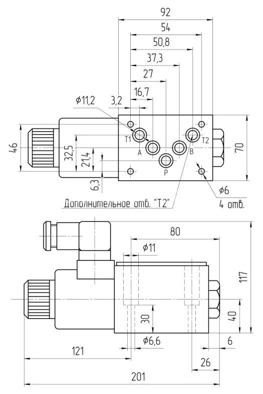
Условный проход : 10мм
Рабочее давление: 35МПа
Пропускная способность: 120л.
Напряжение: 12DC, 24DC, 110AC, 220AC
Тип монтажа: модульный (стыковой, плиточный)
Масса : 4,5 кг с одним эл.магнитом, 6,1 кг - с двумя эл.магнитами
Схема распределения потока рабочей жидкости:


Электромагнитные распределители золотникового формата с прямым действием выпускаются в двух вариантах: базовая версия DKE/DKS, использующая стандартные электромагниты, и версия DKER, обладающая улучшенными параметрами и оснащённая электромагнитами с увеличенным усилием, сертифицированными по стандарту C UR US для Северной Америки. Эти распределители могут быть сконструированы в конфигурациях с тремя или четырьмя линиями и доступны с двумя или тремя позициями золотника. Золотники имеют взаимозаменяемую конструкцию и предлагаются в различных вариантах. Электромагниты могут быть с различными источниками питания: с вворачиваемой направляющей «мокрого» типа, которая оборудована кнопкой для ручного управления (различия в направляющей определяются видом питания) и катушками для AC и DC. Замена катушек производится без инструментов, и они совместимы с разными источниками питания, однако нельзя использовать их между моделями DKE/DKS и DKER. Все катушки полностью защищены в соответствии с температурными классами: класс Н для катушек постоянного тока и класс F для катушек переменного тока. Корпус распределителя имеет пять камер для всех моделей постоянного тока и для версий переменного тока с опцией /F*, в то время как стандартные версии для переменного тока оборудованы трёхкамерным корпусом. Оптимизированные внутренние каналы, расположенные от центра, помогают снизить потери давления. Для моделей DKE/DKS и DKER предусмотрены несколько дополнительных функций: удлинитель ручного управления с резиновой кнопкой для более удобного переключения вручную, устройства для регулирования времени переключения, контроль положения золотника для обеспечения безопасных условий, а также внешний дренаж по каналу Y, который предназначен для использования в условиях высокого давления в резервуаре (только для моделей постоянного тока). Монтажная поверхность соответствует стандарту ISO 4401 с размером 10, а максимальный расход достигает 120 л/мин. Электромагнит может быть установлен на стороне канала B (лишь для одноэлектромагнитных распределителей),в то время как в стандартных версиях он располагается к стороне канала A. Управление вручную осуществляется при помощи резиновой кнопки. Параметры L, L1, L2, L3, LR относятся к устройствам, предназначенным для регулирования времени переключения (доступно только для электромагнитов постоянного тока). Конструкция с пятью камерами предназначена для всех версий постоянного и переменного тока с датчиками переключения для контроля положения золотника, как указано в таблице E110. Внешний дренаж Y доступен только для моделей постоянного тока и выбирается, когда давление в канале T превышает допустимые пределы. Разъёмы для электрических соединений DIN 43650 заказываются отдельно согласно соответствующему разделу, а разъёмы SP-666, SP-667, SP-669 являются стандартными разъёмами IP-65 для прямого питания.
Золотники представлены следующим образом: золотники типа 0/2, 1/2, 2/2 используются исключительно для двухпозиционных распределителей: одноэлектромагнитные модели типа DKE*-163*/2; двухэлектромагнитные распределители типа DKE*-170*/2 и DKE*-175*/2. Золотники типа 0 и 3 возможны в конфигурациях 0/1 и 3/1 при сливе из управляющих каналов в бак в центральном положении. Золотники типа 1 также существуют как 1/1; они спроектированы так, чтобы снизить гидроудар во время переключения. Золотник типа 1/3 (только для версий DC) обычно функционирует как клапан отсечки в безопасных системах; для получения дополнительных сведений вы можете обратиться в наш технический отдел. Золотник типа 1/9 закрывает центральное положение в нормальном состоянии, но предотвращает попадание потока в каналы А и В из-за внутренних утечек. Другие виды золотников доступны по предзаказу.
ПРЕДЕЛЫ РАБОТЫ РЕЖИМОВ для минерального масла ISO VG 46 при температуре 50°C были установлены с использованием теплых электромагнитов при минимальном рабочем напряжении (нормативное напряжение - 10%). Графики демонстрируют случаи симметричного потока через распределитель (то есть поток идет от Р к А и от В к Т). В случаях с несимметричным потоком, а также в случаях, когда распределитель оборудован механизмами для регулировки времени переключения, следует уменьшить пределы рабочего диапазона.
УСТРОЙСТВА ДЛЯ РЕГУЛИРОВКИ ВРЕМЕНИ ПЕРЕКЛЮЧЕНИЯ доступны исключительно для распределителей версии DC с 5-камерным корпусом и могут использоваться для управления временем переключения, снижая нагрузку на гидравлическую систему, воздействующую на катушку. Существует несколько типов этих устройств, как указано на иллюстрациях. Возможности управления временем переключения зависят от дизайна регулирующего элемента.
Устройства с маркой L контролируют и корректируют время переключения золотника в оба направления; процесс регулирования осуществляется путем ввинчивания или вывинчивания винта (посредством регулирования дросселем). Модели L1, L2 и L3 управляют временем переключения обеими сторонами, при этом время фиксируется калиброванным ограничителем, который отвечает за изменение потока, с размерами ØL1 = 1,25 мм; ØL2 = 1 мм; ØL3 = 0,75 мм. Устройство LR контролирует и изменяет период переключения при движении золотника от В к А, однако не влияет на стандартное время переключения для обратного движения от А к В. Чтобы устройство функционировало корректно, канал с установленным регулирующим элементом должен быть полностью заполнен маслом.