Гидрораспределитель DSG-03-3C3 D24 YUKEN
✓ Сертифицированное оборудование
✓ Гарантия надежной эксплуатации
✓ Контроль качества на каждом этапе
✓ Современное оборудование
✓ Быстрая отгрузка
Основные технические данные
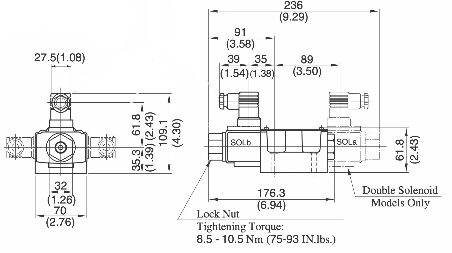
Условный проход : 10мм
Рабочее давление: 35МПа
Пропускная способность: 120л.
Напряжение: 12DC, 24DC, 110AC, 220AC
Тип монтажа: модульный (стыковой, плиточный)
Масса : 4,5 кг с одним эл.магнитом, 6,1 кг - с двумя эл.магнитами
Схема распределения потока рабочей жидкости:


Это революционные электромагнитные клапаны, предназначенные для работы в условиях высокого давления и значительного расхода, которые разработаны с применением уникальной концепции дизайна во всех их компонентах, включая соленоид. С использованием мокрых соленоидов эти клапаны демонстрируют низкий уровень шума и продолжительный срок службы, а также предотвращают утечку масла за пределы своих конструкций.
Вам доступен широкий ассортимент моделей, позволяющий выбрать наилучший вариант, соответствующий вашим требованиям. Серия электромагнитных направляющих клапанов DSG-03 включает две основные модели.
Стандартный тип подходит для эксплуатации при высоком давлении, достигающем 31,5 МПа (4570 фунтов на квадратный дюйм),и значительном расходе — 120 литров в минуту (31,7 галлона США в минуту). Безударный тип помогает минимизировать шум и вибрацию, возникающие при переключении золотника.
Благодаря мощному магниту и силе пружины, клапаны обеспечивают устойчивость к загрязнениям, что позволяет им функционировать стабильно. Продукция сертифицирована по стандартам CE/UL/CSA и может применяться в изделиях различных категорий.
Среди доступных опций можно выделить кнопку со стопорной гайкой, которая предназначена для ручного переключения золотника и может быть заблокирована в нажатом состоянии. Также есть вставной разъем с индикаторной лампой соленоида, что позволяет легко контролировать его включение и выключение. В качестве крепежных элементов для стандартных клапанов используются винты с головкой под торцевой ключ M6, однако доступны и винты M8 — для их заказа необходимо добавить «02» к номеру конструкции как клапана, так и номера модели подвода.
Что касается максимального потока в центральном байпасе, то в клапанах типов 3C3, 3C5 и 3C60, при установке привода между портами A и B и его движении в конце хода, максимальные доступные скорости потока будут соответствовать указанным в таблице независимо от рабочего напряжения.
Относительно обратного монтажа соленоида, в пружинном смещенном типе стандартной конфигурацией является установка соленоида на клапан с стороны SOL b, однако существует возможность установки соленоида в обратном положении — со стороны SOL a. Графический символ для этого варианта представлен ниже. Дополнительную информацию о типах клапанов 2B A и 2B B можно найти в разделе «Клапаны, использующие нейтральное и боковое положение».