Гидрораспределитель РМ20-10.0-20.5-20.0-30.0
✓ Сертифицированное оборудование
✓ Гарантия надежной эксплуатации
✓ Контроль качества на каждом этапе
✓ Современное оборудование
✓ Быстрая отгрузка
Технические характеристики распределителя :
Условный проход : 12мм
Рабочее давление: 20МПа
Пропускная способность: 125л.25700
Масса : не более 32 кг
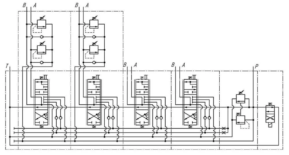
Схема распределения потока рабочей жидкости:


Гидрораспределитель РМ-20-01 секционного типа широко используется на автокранах Челябинец КС-45721, КС-55730, Галичанин КС-45719, КС-55713, а также на моделях Клинцы КС-35719, КС-45719 и КС-55713. Он предназначен для подъема гидроцилиндра стрелы и управления грузовой лебедкой.
Установка гидравлического распределителя РМ-20 осуществляется на поворотную раму, а управление выполняется с помощью тросов.
Кроме того, гидрораспределитель состоит из напорной секции, которая защищает насос от перегрузок и сбрасывает давление в системе, когда рабочие операции не выполняются. Также он включает две секции и сливную крышку, обеспечивающие циркуляцию жидкости в баке.
Гидрораспределитель РМ 20 предназначен для управления направлением, запуском, остановкой и регулировкой потока рабочей жидкости в гидроприводах различных машин, включая строительные, дорожные, сельскохозяйственные и горные.
С помощью этого распределителя осуществляется управление исполнительными гидродвигателями, а также автоматическое торможение и остановка механизмов при активации устройств безопасности.
РМ 20 имеет настраиваемые характеристики давления, которые не зависят от величины внешних нагрузок.
Данный гидрораспределитель состоит из набора рабочих секций с двумя каналами для подключения к потребителям для выполнения различных операций (количество секций определяется при заказе),напорной секции для защиты насоса от перегрузок и сброса давления в гидросистеме в случае, если рабочие операции не выполняются, а также сливной крышки для обеспечения циркуляции рабочей жидкости в баке.
Гидрораспределитель РМ 20 может быть выполнен в следующих вариантах: для умеренно-холодного климата (УХЛ, категория размещения 1 по ГОСТ 15150) и для тропических условий (Т, ТВ, ТС, категория размещения 2 по ГОСТ 15150).
Для эксплуатации используются следующие рабочие жидкости: основные – ВМГЗ (ТУ 0253-002-13313309) и МГЕ-10А (ТУ 38-101572); заменители – АУП (ТУ 38-1011258) и МГЕ-46В (ТУ 38-001347). Рабочая жидкость должна быть свободна от водорастворимых кислот, щелочей, механических примесей и воды, а класс её чистоты должен соответствовать не ниже 13 по ГОСТ 17216.
Гидрораспределитель РМ20 обеспечивает своевременное переключение механизмов управления и контролирует направление перемещения рабочих потоков жидкости в установленном направлении. Он может быть подключен к гидросистеме различными способами — резьбовым, фланцевым или стыковым — в зависимости от конструкции и технических характеристик основного устройства.
По количеству каналов, через которые могут проходить потоки, распределитель может быть двухходовым, трехходовым или многоходовым. Его вес и размеры зависят от объема рабочей жидкости: чем больше объем жидкости, тем более крупными и тяжёлыми будут регулировочные устройства. Эти распределители находят применение в таких машинах, как автокраны и Галичанин.
Гидрораспределитель изготавливается из модифицированного чугуна, стальных сплавов, латуни или бронзы, причем некоторые элементы дополнительно обрабатываются методом азотирования, хромирования или цементации для повышения их защитных свойств.
Типы управления включают в себя ручное (с помощью кнопки, педали, рукоятки или рычага),гидравлическое (система сопоставляет давление и положение запорно-регулирующего элемента),электромагнитное (управление через электромагниты) и электрогидравлическое (механическое перемещение инициируется электрическим сигналом).
Запорно-регулирующие элементы, такие как клапан, золотник или кран, могут находиться в двух состояниях: «закрыто» или «открыто». В распределителе функцию управления выполняют только две настройки: открытие или закрытие проходов для рабочей жидкости. В дросселирующих конструкциях возможно регулирование потока за счёт частичного открытия клапана.
На нашем сайте вы можете приобрести сертифицированные гидравлические распределители от ведущих мировых производителей. При выборе нужного устройства учитываются диаметр прохода, способ установки, схема подключения и другие характеристики. Наши консультанты помогут вам без ошибок подобрать устройство с необходимыми параметрами.