Гидрораспределитель ВММ16.44
✓ Сертифицированное оборудование
✓ Гарантия надежной эксплуатации
✓ Контроль качества на каждом этапе
✓ Современное оборудование
✓ Быстрая отгрузка
Основные технические данные
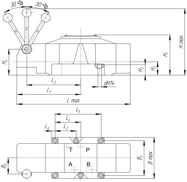
Условный проход : 16мм
Рабочее давление: 25МПа
Пропускная способность: 80-125л.
Тип монтажа: модульный (стыковой, плиточный)
Масса : 22кг
Схема распределения потока рабочей жидкости:


Гидрораспределители золотникового типа ВММ16 классифицируются в зависимости от схемы распределения потока рабочей жидкости, а также от наличия или отсутствия фиксации золотника в центральном положении. Эти устройства получили широкое применение в различных отраслях, таких как машиностроение, металлургия, легкая промышленность и в технике, используемой в дорожном строительстве. Гидрораспределители типа ВММ могут работать на минеральных маслах с кинематической вязкостью от 10 до 400 мм²/с, при этом номинальная степень фильтрации не должна превышать 25 мкм. Устройства допускается эксплуатировать в температурном диапазоне от -40 до +55°С с климатическим исполнением и категорией размещения, соответствующими УХЛ4, О4, ХЛ1 по ГОСТ 15150.
Гидрораспределители ВММ16 модели 64, 44, 34, 24, 14, 574 и 573, обладая условным проходом 16 мм, представляют собой распределители с управлением от рукоятки без фиксации золотника в крайних позициях, возвращаемыми пружиной. Они используются для запуска, остановки и управления направлением потока жидкости в гидроприводах как мобильного, так и стационарного оборудования. Эти распределители состоят из корпуса, исполнительного элемента (рукоятка) или нескольких таких элементов, золотника и одной или двух возвратных пружин. В состоянии бездействия управляющий золотник удерживается возвратными пружинами, а его перемещение в нужное положение осуществляется посредством исполнительных элементов.
Золотник занимает среднюю (нулевую) позицию после снятия управляющего усилия может достигаться двумя центрирующими пружинами или одной, если это гидрораспределитель с управлением от рукоятки с пружинным возвратом. В трехпозиционном распределителе с механическим управлением золотник также может быть установлен в исходную позицию с помощью кулачка или копира. В случае двухпозиционного варианта с пружинным возвратом золотник устанавливается в исходное (крайнее) положение с помощью пружины и управляющего усилия одного из узлов управления в распределителях без пружинного возврата и с фиксацией золотника в двух положениях.
При активации левого узла управления (со стороны отверстия А) или при смещении рукоятки влево золотник перемещается из исходной позиции к отверстию В вправо, что соответствует распределению потока в позиции «а». Аналогично, активация правого узла управления (со стороны отверстия В) или перемещение рукоятки вправо приводит к тому, что распределение потока соответствует позиции «в». Для схем 573 и 573E отверстие для выхода рабочей жидкости Т предназначено для отвода утечек. Перед началом работы двухпозиционного распределителя без пружинного возврата с фиксацией золотника необходимо убедиться в положении золотника в корпусе. Для этого требуется однократно активировать правый узел управления (со стороны отверстия В) или переместить рукоятку вправо до упора, в результате чего золотник займет исходное положение по схеме распределения потока — позицию «в». В трехпозиционном распределителе с механическим управлением до начала работы золотник в начальном положении должен занять крайнее положение «в» и быть перемещен на 2,5 мм с помощью кулачка или копира для установки в исходное (среднее) положение.