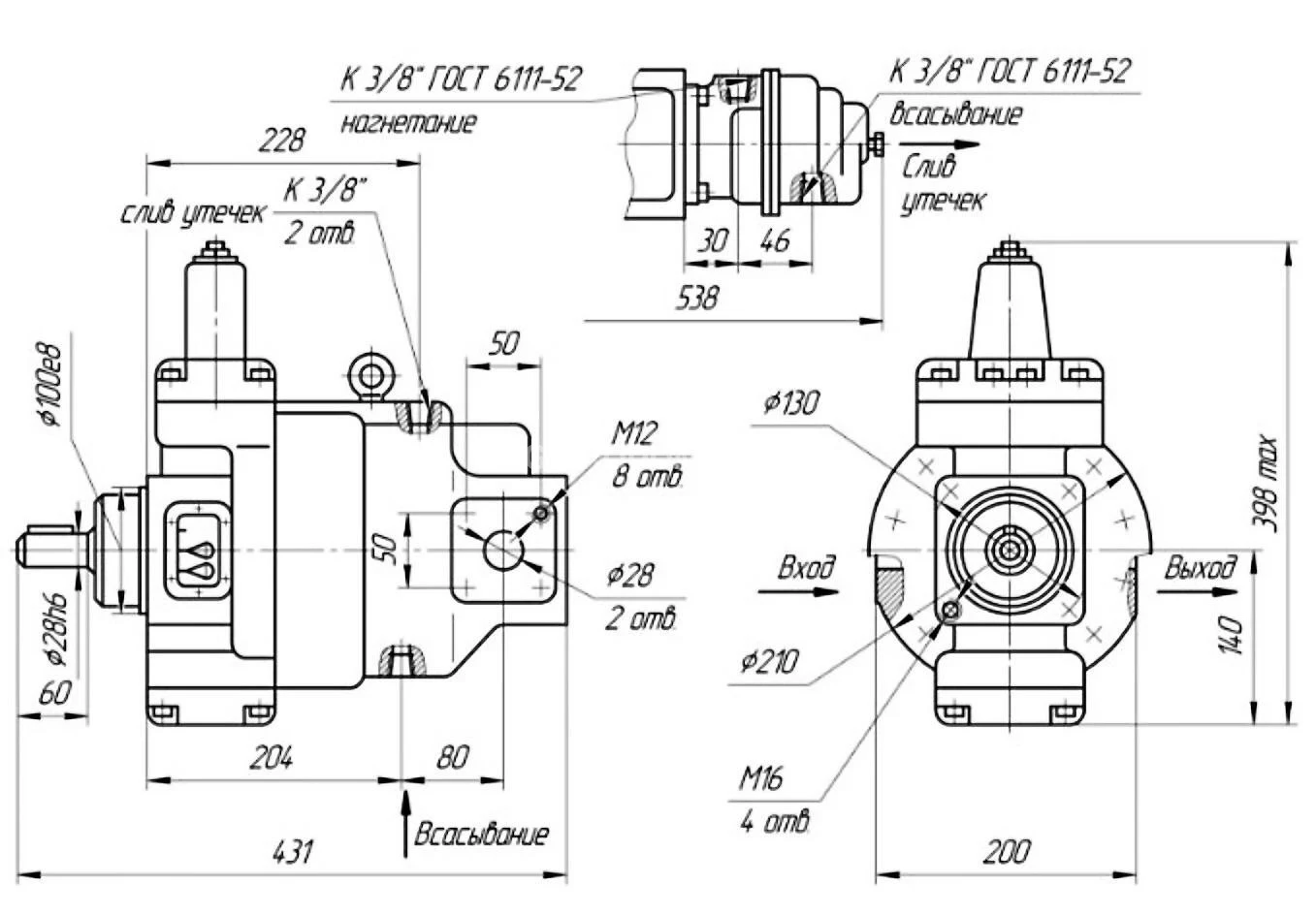
Насос аксиально-поршневой регулируемый 1НАС63/22
✓ Сертифицированное оборудование
✓ Гарантия надежной эксплуатации
✓ Контроль качества на каждом этапе
✓ Современное оборудование
✓ Быстрая отгрузка
Технические характеристики:
Номинальная подача, л/мин: 89
Номинальное давление на выходе, МПа: 20
Частота вращения, об./мин.: 1500
Масса, кг: 73

Гидронасос 1НАС 63/22 относится к серии регулируемых аксиально-поршневых насосов с наклонным диском и обеспечивает постоянное направление потока. Он предназначен для работы в качестве нагнетающего устройства высокого давления в гидравлических системах тяжелого машиностроения и обладает широким спектром применения.
Принцип работы насоса 1НАС 63/22 заключается в следующем: ротор, который также выполняет функцию блока цилиндров, установлен на составном шлицевом валу. При вращении ротора сферические головки поршней плотно прижимаются к наклонному опорному диску. Это приводит к обратнопоступательным движениям поршней, что, в свою очередь, обеспечивает всасывание и выброс рабочей жидкости из цилиндров.
Модель 1НАС 63/22 оснащена механизмом дистанционной регулировки выходной мощности, который автоматически поддерживает постоянную мощность в зависимости от давления на выходе насоса. Управляющий блок получает питание от вспомогательного насоса, совместно установленного с основным.
Из-за высоких нагрузок на механизм насоса, его длительная работа в условиях, превышающих номинальные параметры, не рекомендуется. Аксиально-поршневые регулируемые насосы НАС с рабочими объемами 32 см³, 63 см³, 90 см³, 125 см³ и 250 см³ предназначены для нагнетания жидкости до 20 МПа в гидросистемы различных машин и агрегатов, где требуется поддержка постоянной мощности при изменяющемся давлении и подаче. Основное конструктивное исполнение насосов НАС – нереверсивное с управлением подачи от собственного потока; возможна версия с интегрированным пластинчатым насосом.
Насос 1НАС 63/22 представляет собой современный аксиально-поршневой насос, отличающийся высокой эффективностью и универсальностью. Его производительность составляет 89 л/мин, что позволяет использовать его для различных задач, включая гидравлические системы разных масштабов. Объем 32 см³ обеспечивает надежную работу даже при высоких нагрузках, а давление до 20 МПа гарантирует эффективное перемещение жидкостей и устойчивую работу гидросистем.
При вращении вала, который неподвижно соединен с блоком цилиндров, плунжеры совершают возвратно-поступательные движения благодаря постоянному прижиму башмаков к шайбе скольжения. Рабочая жидкость проходит через всасывающие полости и нагнетается в выходную область насоса. Управляющий цилиндр с поршнем перемещает качающий механизм, меняя подачу насоса. Регулятор мощности включает в себя золотник, возвратную втулку, кулачок и пружины, и работает таким образом, что изменение давления в системе влечет за собой изменение подачи насоса.