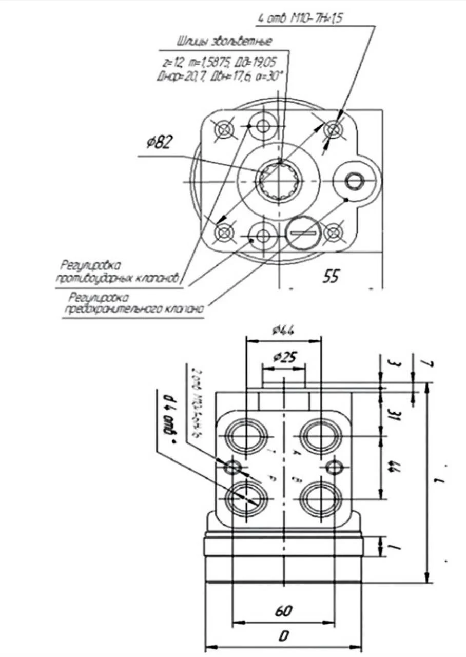
Насос-дозатор НДП 100/2-16
✓ Сертифицированное оборудование
✓ Гарантия надежной эксплуатации
✓ Контроль качества на каждом этапе
✓ Современное оборудование
✓ Быстрая отгрузка
Технические характеристики:
Номинальная подача, л/мин: 10
Номинальное давление на выходе, МПа: 16
Частота вращения, об./мин.: 100
Масса, кг: 5,6

Насосы-дозаторы моноблочные гидрообъемного рулевого управления самоходных машин и тракторов, предназначены для обеспечения точного и надежного управления направления и величины потока рабочей жидкости. Они работают в системах, где максимальная скорость самоходных машин не превышает 50 км/ч.
Основные функции таких насосов-дозаторов включают:
1.Изменение направления потока: насосы-дозаторы могут регулировать направление потока рабочей жидкости от питающего насоса к исполнительному цилиндру поворота колес, обеспечивая тем самым маневренность машины.
2. Регулировка величины расхода РЖ: В зависимости от нужд управления, насосы могут увеличивать или уменьшать объем подаваемой жидкости, что позволяет контролировать скорость и силу поворота.
3.Поддержание работы системы при отключении насоса: При неработающем питающем насосе насосы-дозаторы обеспечивают подачу рабочей жидкости от сливной гидролинии к цилиндру. Это критически важно для сохранения управления движением машины в случае отключения или неисправности насоса.
Моноблочная конструкция таких устройств облегчает их установку и эксплуатацию, а также обеспечивает высокую надежность и уменьшает вероятность утечек рабочей жидкости.
В итоге, насосы-дозаторы играют важную роль в системе управления самоходными машинами и тракторами, обеспечивая стабильное и эффективное управление поворотами и маневрами на различных типах поверхности.