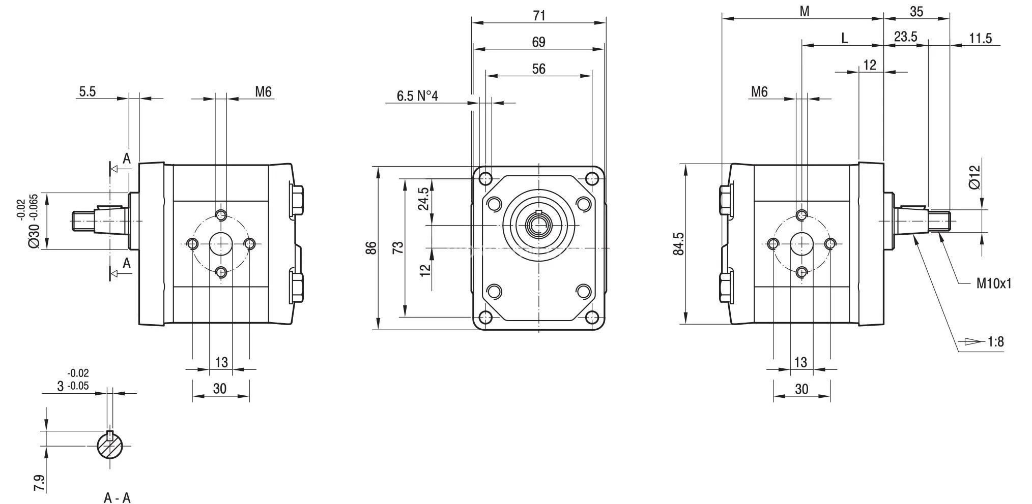
насос шестеренный GHP-1-S-3 MARZOCCHI
✓ Сертифицированное оборудование
✓ Гарантия надежной эксплуатации
✓ Контроль качества на каждом этапе
✓ Современное оборудование
✓ Быстрая отгрузка
Технические характеристики:
Номинальная подача, л/мин: 2,9
Номинальное давление на выходе, МПа: 32
Частота вращения, об./мин.: 800
Масса, кг: 8

Шестеренные насосы с внешним зацеплением являются самыми распространёнными насосами в современных гидравлических системах. Они отличаются универсальностью, прочностью и длительным сроком службы. Простота конструкции обеспечивает экономичность в эксплуатации.
Наши насосы соответствуют высоким стандартам качества благодаря последовательному улучшению дизайна, тщательному отбору материалов и строгому контролю производственных процессов, а также проведению испытаний серийно выпускаемых деталей. Это позволяет им эффективно работать в сложных условиях и передавать значительную гидравлическую энергию.
Насосы компании Marzocchi славятся своим высоким гидравлическим, механическим и пространственным КПД, минимальным уровнем шума и компактными размерами. Marzocchi Pompe расширяет свою продуктовую линейку новой серией насосов GHP, включающей модели GHP1, GHP2 и GHP3, которые подходят для различных применений как в промышленности, так и в мобильных секторах.
Эти шестеренные насосы состоят из пары колёс, которые поддерживаются двумя алюминиевыми втулками, корпусом, фланцем и крышкой. Вал приводного колеса уплотнён в установочном фланце двойным манжетным уплотнением: внутреннее служит обычным уплотнением, а внешнее — для защиты от пыли. Эластичное предохранительное кольцо удерживает уплотнение на месте.
Корпус насоса изготавливается из высокопрочного алюминиевого сплава, в то время как фланец и крышка сделаны из глобулярного чугуна, что уменьшает риск деформации при колебаниях давления. Колёса выполнены из специальной стали и проходят процессы цементации и закалки, а затем шестерни обрабатываются до получения высокой шероховатости поверхности, что гарантирует низкий уровень пульсаций и шума в процессе работы.
Втулки насоса выполнены из высокопрочного алюминиевого сплава с низким коэффициентом трения и отлиты под давлением. Они имеют антифрикционные DU подшипники, а специальные компенсирующие зоны, изолированные уплотнениями с противовыталкивающими кольцами, позволяют втулкам свободно перемещаться в осевом и радиальном направлениях, что значительно снижает внутренние утечки и обеспечивает качественную работу насоса.
Основные компоненты насоса:
1. Ведущая шестерня
2. Ведомая шестерня
3. Втулки
4. Корпус
5. Фланец
6. Крышка
7. Уплотнение вала
8. Компенсирующие уплотнения
9. Противовыталкивающие уплотнения
10. Стопорное кольцо
Перед началом эксплуатации системы рекомендуется предпринять несколько простых предосторожностей:
- Убедитесь, что направление вращения нереверсивного насоса соответствует всасывающей стороне.
- Проверьте правильное положение вала насоса, чтобы избежать осевых и радиальных нагрузок на соединение.
- Защитите уплотнение ведущего вала во время покраски, чтобы избежать загрязнения контакта уплотнения и вала.
- Удалите грязь и посторонние предметы с присоединительных фланцев.
- Удостоверьтесь, что всасывающие и сливные трубопроводы находятся ниже уровня жидкости и максимально удалены друг от друга, при необходимости разместите насос ниже уровня жидкости.
- Заполните насос рабочей жидкостью и проверьте его проходимость, отсоединив дренаж при запуске для удаления воздуха.
- Установите минимальное значение предохранительного клапана на первом запуске.
- Избегайте работы мотора на минимальных скоростях и превышения давления.
- Не запускайте систему под нагрузкой при низких температурах после длительной остановки; сначала запустите систему, затем через несколько минут включите все компоненты и удалите воздух из системы.
- Проверяйте уровень жидкости в баке после нагрузки.
- Постепенно увеличивайте давление, периодически проверяя уровень жидкости, температуру движущихся частей и скорость вращения до достижения установленных значений.