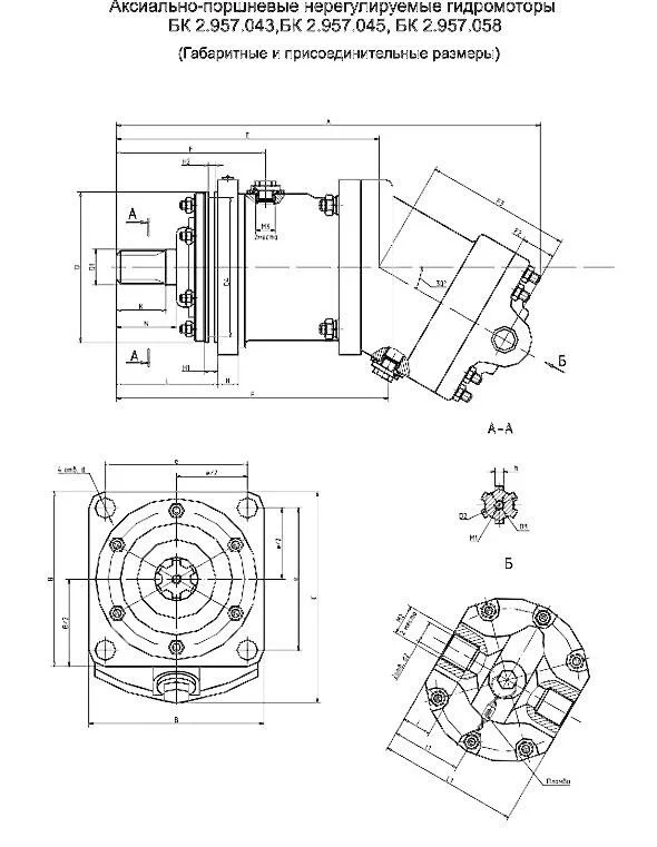
насос судовой ПД-5 БК2.957.045-1
✓ Сертифицированное оборудование
✓ Гарантия надежной эксплуатации
✓ Контроль качества на каждом этапе
✓ Современное оборудование
✓ Быстрая отгрузка
Технические характеристики:
Номинальная подача, л/мин: 47
Номинальное давление на выходе, МПа: 10
Частота вращения, об./мин.: 2950
Масса, кг: 7,5

Судовой насос БК2 — это вид насосного оборудования, предназначенного для перекачки различных жидкостей, включая воду, масла и другие технические жидкости, на судах. Он используется в системах охлаждения, жидкостного топлива, а также для перекачки балластных вод.
Характеристика насоса БК2
1. **Тип насоса**: Винтовой или центробежный насос (в зависимости от конкретной модели).
2. **Применение**: Для перекачки различных жидкостей, включая пресную и морскую воду, а также нефтепродукты.
3. **Производительность**: Обычно варьируется в пределах 10–100 м³/ч, в зависимости от модели и резьбы.
4. **Напор**: Рабочий напор составляет обычно от 10 до 40 м.
5. **Максимальная температура перекачиваемой жидкости**: Зависит от конструктивных особенностей, может достигать 80–100°C.
6. **Материалы**: Изготавливается из коррозионностойких материалов, таких как нержавеющая сталь или бронза, а в некоторых случаях может использоваться высокопрочный пластик.
7. **Привод**: Может работать как от электрического двигателя, так и от механического привода, например, от вала двигателя судна.
Составные части насоса БК2
1. **Корпус насоса**: Основная деталь, в которой располагаются все остальные компоненты. Изготавливается из прочного, коррозионностойкого материала.
2. **Рабочее колесо**: Основной элемент, обеспечивающий перекачку жидкости. Винтовые или центробежные конструкции обеспечивают необходимый напор и производительность.
3. **Входной и выходной патрубки**: Эти части обеспечивают подвод и отвод жидкости из насоса.
4. **Уплотнения**: Используются для предотвращения утечек жидкости. Могут быть механическими или сальниковыми.
5. **Подшипники**: Обеспечивают вращение рабочего колеса и поддерживают его в правильном положении.
6. **Электродвигатель или приводной механизм**: Оборудование, обеспечивающее вращение рабочего колеса. В зависимости от конструкции, это может быть отдельный электродвигатель или привод, интегрированный в насос.
7. **Регулирующее устройство**: В некоторых моделях могут быть предусмотрены устройства для регулировки производительности и напора насоса.
Судовые насосы БК2 являются важным элементом в системах корабельного оборудования и используются для обеспечения надежного функционирования многих процессов на борту судна.