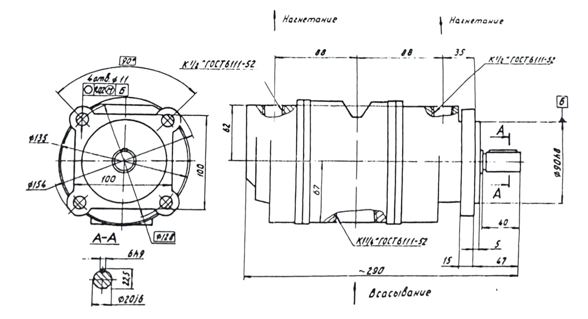
пластинчатый насос 5БГ12-22М (5,3/18)
✓ Сертифицированное оборудование
✓ Гарантия надежной эксплуатации
✓ Контроль качества на каждом этапе
✓ Современное оборудование
✓ Быстрая отгрузка
Технические характеристики:
Номинальная подача, л/мин: 5/ 18
Номинальное давление на выходе, МПа: 12,5
Частота вращения, об./мин. : 1500 об./мин.
Масса, кг: 16

Насосы пластинчатые типа БГ12-2М могут быть одно- и двухпоточными, и предназначены для работы в системах обработки жидкостей под давлением 12,5 МПа (125 кгс/см²). Они подходят для использования в гидросистемах металлорежущих станков и аналогичных машин. Насосы изготовлены в исполнении УХЛ и соответствуют категории размещения 4 по ГОСТ 15150.69.
Работают эти насосы на минеральных маслах с кинематической вязкостью от 17 до 213 мм²/с при температурах в диапазоне от 10 до 50 °C. Класс чистоты масел не должен быть ниже 12 по ГОСТ 17216-71, а тонкость фильтрации масла должна составлять 25 мкм. Используемые марки масел: гидравлическое масло ВНИИ НП-403 по ГОСТ 16728-78 и ИГП-33 по ТУ 38.101413-78.
Поставляемые насосы имеют правое или левое направление вращения вала, которое обозначается стрелкой на корпусе. При оформлении заказа необходимо указать типоразмер насоса, направление вращения, климатическое исполнение и категорию размещения. Например, насос БГ12-23М УХЛ4 ТУ2-053 имеет правое направление вращения, тогда как БГ12-23М Л УХЛ4 ТУ2-053 – левое.
Насос может устанавливаться в любом положении. Не допускаются осевые и радиальные нагрузки на конец вала. Соединение вала насоса с приводным валом осуществляется с помощью эластичной муфты с максимальным радиальным смещением 0,1 мм и угловым смещением 1°. Трубопроводы должны быть плавными, тщательно очищенными и надежно уплотненными. Диаметр всасывающего трубопровода и дополнительных соединений выбирается так, чтобы скорость рабочей жидкости не превышала 1,5 м/с, а абсолютное давление на входе в насос – было в пределах 0,12–0,08 МПа (1,2–0,8 кгс/см²).
Допускается установка фильтра с индикатором загрязненности на всасывающем трубопроводе при условии, что давление на входе в насос не опускается ниже 0,08 МПа (0,8 кгс/см²). Внутри бака объемом не менее двухминутной подачи насоса необходимо установить перегородку, чтобы разделить всасывающую и сливную полости, причем трубопроводы должны погружаться в бак на расстоянии около двух диаметров трубы от дна.
Для защиты насоса и гидросистемы от перегрузок установлен предохранительный клапан, настройка которого не должна превышать 12,5 МПа (125 кгс/см²),а пропускная способность – быть не менее подачи насоса. Перед первым запуском в насос заливается рабочая жидкость, и винт предохранительного клапана выкручивается для нулевой настройки. Гидросистема должна быть спроектирована так, чтобы обеспечивать полный слив рабочей жидкости из насоса после его остановки.