пластинчатый насос 35M95A 1C20 VICKERS
✓ Сертифицированное оборудование
✓ Гарантия надежной эксплуатации
✓ Контроль качества на каждом этапе
✓ Современное оборудование
✓ Быстрая отгрузка
Технические характеристики:
Номинальная подача, л/мин: 320
Номинальное давление на выходе, МПа: 21
Частота вращения, об./мин. : 1200 об./мин.
Масса, кг.: 16

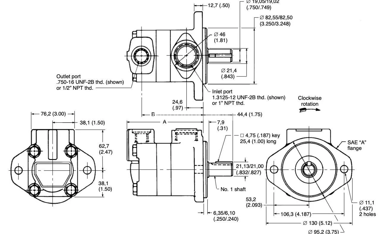
Гидравлический мотор Vickers серии 35M отличается различными объемами, такими как 83,6 см³/оборот (5.10 in³/rev),100,3 см³/оборот (6.12 in³/rev) и 121,9 см³/оборот (7.44 in³/rev). Подключение рабочей жидкости к соединению "L" вызывает вращение вала по часовой стрелке, а подача через соединение "K" приводит к вращению против часовой стрелки. Крышка "C" имеет стандартную позицию, но доступны и другие варианты в зависимости от модели.
Максимальная скорость вращения для данной серии составляет 2600 об/мин при давлении 155 бар (2250 psi) для непрерывного режима работы и 3000 об/мин при давлении 172 бар (2500 psi) для прерывистой работы. Эти характеристики обеспечивают высокую эффективность работы мотора в различных условиях эксплуатации. Благодаря своим особенностям и конструкции, мотор серии 35M является отличным выбором для множества промышленных приложений, где требуется высокая степень надежности и долговечности.