плита монтажная к ВЕ10 (трубн. монтаж, выход вбок)
✓ Сертифицированное оборудование
✓ Гарантия надежной эксплуатации
✓ Контроль качества на каждом этапе
✓ Современное оборудование
✓ Быстрая отгрузка
Основные технические данные

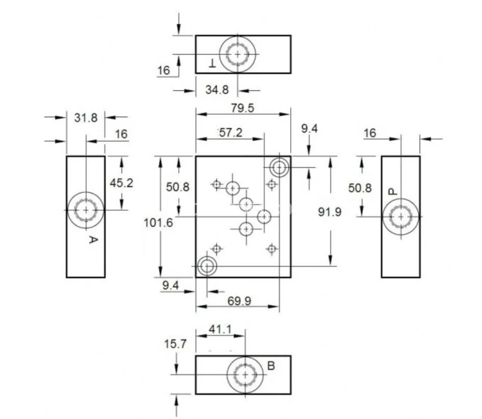
Гидроплита с боковыми отверстиями для монтажа предназначена для гидрораспределителей ВЕ10 и изготавливается из стали. Она имеет четыре выхода с каждой стороны, с соединением 1/2".
В нашей компании также доступна переходная плита Ду10 с выходами вниз.
Монтажная плита для гидрораспределителя ВЕ10 имеет выходы, расположенные в боковой части. Переходная плита создана для обеспечения совместимости между гидрораспределителем ВЕ10 и другими элементами гидравлической системы. Изготовленная из высококачественных материалов, она гарантирует надежное и долгое соединение.
Эта плита обеспечивает идеальную совместимость с гидрораспределителем ВЕ10, обеспечивая надежное соединение. Она выполнена из прочных материалов, что обеспечивает устойчивость к износу и длительный срок службы. Установка плиты осуществляется быстро и легко, что позволяет экономить ваше время и усилия. Кроме того, она совместима с различными компонентами гидравлической системы, обеспечивая гибкие возможности конфигурации и оптимальную передачу гидравлической жидкости, тем самым повышая общую эффективность системы.
Преимущества включают улучшенную интеграцию гидравлической системы, повышенную надежность и долговечность, упрощенную установку и расширенные возможности конфигурации.