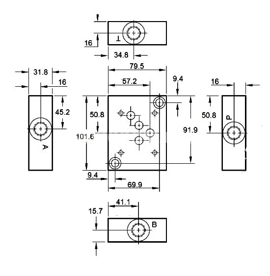
плита монтажная к ВЕХ16 туб монтаж выход вбок (DD-07-SP-S-6B)
Оставить отзыв
Есть в наличии
Безопасность и конфиденциальность
✓ Сертифицированное оборудование
✓ Гарантия надежной эксплуатации
Гарантия доставки
✓ Контроль качества на каждом этапе
✓ Современное оборудование
✓ Быстрая отгрузка
Основные технические данные

Монтажная гидравлическая плита ВЕХ16 130350 предназначена для подключения гидрораспределителей типа В16; ВЕХ16 к гидросистеме. По специальному запросу можно изготовить плиту с измененной конструкцией. Плита выполнена из стали 20 и рассчитана на рабочее давление жидкости до 32 МПа.