Пневмоклапан редукционный LR 1/4-S FESTO
✓ Сертифицированное оборудование
✓ Гарантия надежной эксплуатации
✓ Контроль качества на каждом этапе
✓ Современное оборудование
✓ Быстрая отгрузка
Технические характеристики:
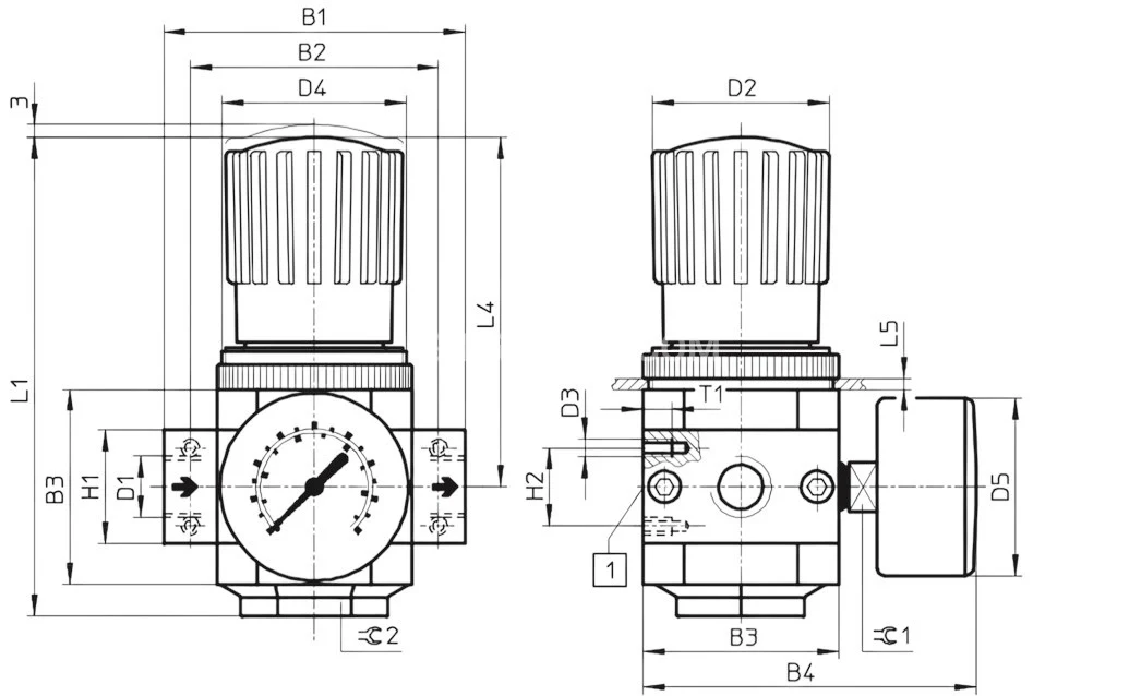
Условный проход , мм.: 10
Номинальное давление, МПа: 1
Присоединительная резьба: 1/4
Масса, кг.: 1

Festo LR-1/4I — компактный регулятор давления без встроенного манометра.
Основные характеристики
Регуляторы данной серии обладают минимальными габаритами и могут устанавливаться в любом положении.
LR-регуляторы работают с очищенным сжатым воздухом (как с масляной, так и безмасляной смазкой). Корпус изготовлен из PBT, резьбовая втулка — из никелированной латуни, уплотнители — из PTFE (политетрафторэтилен).
Конструкция: поршневой регулятор прямого действия с обратным клапаном.