Пневмораспределитель 454-900 CAMOZZI
✓ Сертифицированное оборудование
✓ Гарантия надежной эксплуатации
✓ Контроль качества на каждом этапе
✓ Современное оборудование
✓ Быстрая отгрузка
Технические характеристики:
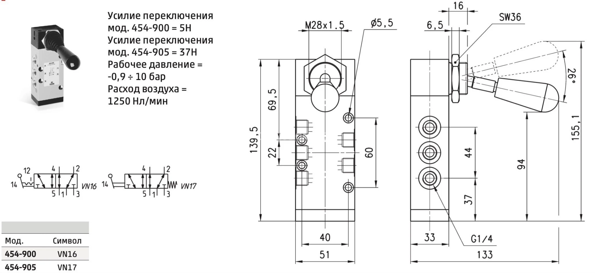
Условный проход , мм.: 2
Номинальное давление, МПа: 1
Масса, кг.: 0,1

Соединения: G1/8 и G1/4.
Пневмоусиление обеспечивает работу управляющего элемента распределителя при минимальном внешнем усилии.
3/2 и 5/2 линейно-позиционные.
Электропневматические распределители 4-й серии с соединениями G1/8, G1/4, G3/8 и G1/2, конструированные как 3/2, 5/2 и 5/3 линейно-позиционные, доступны в двух основных вариантах:
- с электропневматическим управлением и пружинным возвратом;
- с двусторонним электропневматическим управлением.
Новые модели доступны в исполнениях с расходом 3300 и 4000 Нл/мин.
Распределители серии 4 имеют ручное дублирование и управляются электромагнитами серий U, G, A8 и H8. Распределители с соединением G1/2 могут поставляться только с катушками серии A6 (32x32 мм).