Пневмораспределитель В63-33А
✓ Сертифицированное оборудование
✓ Гарантия надежной эксплуатации
✓ Контроль качества на каждом этапе
✓ Современное оборудование
✓ Быстрая отгрузка
Технические характеристики:
Условный проход, мм: 10
Номинальное давление, МПа: 0,63
Тип монтажа: резьбовой
Масса , кг.: 1,4

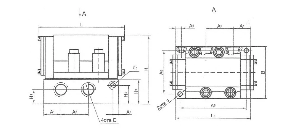
Пневмораспределитель серии В63 с двухсторонним управлением УХЛ4, Ду=10 мм, К3/8", типа В63-А, представляет собой четырехлинейный двухпозиционный элемент, который осуществляет как одно-, так и двухстороннее пневмоуправление, с возвратом пружинным или пневматическим. Он предназначен для изменения направленности потоков сжатого воздуха в пневмоприводах различного назначения.
В пневмораспределителях В63 потоки сжатого воздуха формируются за счёт пары плоских компонентов: золотника и плиты. А отверстия для прохождения воздуха выводятся на плоскую, хорошо обработанную поверхность плиты, по которой перемещается золотник с канавкой, соединяющей между собой указанные отверстия попарно.
Устройства В63-13А, В63-14А и В63-15А имеют двустороннее управление.
Устройства В63-24А и В63-25А применяют одностороннее управление и возврат золотника осуществляется за счёт пневматического воздействия.
Устройства В63-33А и В63-34А оснащены односторонним управлением и пружинным возвратом золотника.
Соединение с пневмолиниями осуществляется резьбовым способом.
По ТУ2-053-1633—83 пневмораспределители В63-13А, В63-14А, В63-15А, В63-23А, В63-24А, В63-25А являются четырехлинейными двоисточными элементами с пневматическим управлением как слева, так и справа, с возвратом пружинным или пневматическим и с резьбовым присоединением к трубопроводам. Они предназначены для перераспределения потоков сжатого воздуха в пневмоприводах различного назначения.
В качестве распределительного органа применяется плоский притёртый золотник, соединённый с поршнем, установленным в корпусе. Корпус закрывается крышками с обеих сторон. Золотник прижат к основании, в котором проделаны каналы для прохождения сжатого воздуха.
Движение поршня вместе с золотником между крайними положениями в распредкатегориях типа В63-13А, В63-14А, В63-15А с двусторонним пневматическим управлением осуществляется путём подачи управляющего давления поочерёдно под торцы поршня через соответствующие каналы. В одном крайнем положении золотник соединяет источник питания с выходным каналом, а выходной канал разъединён с каналом питания и соединён с атмосферным каналом. В другом крайнем положении питание соединяется с другим выходным каналом, а этот выходной канал — с атмосферой.
В случаях одностороннего пневматического управления типа В63-23А, В64-24А, В64-25А подача давления в канал (1) приводит воздух через отверстия в поршне в полость А и воздействуя на дополнительный plunger 6, перемещает поршень в указанное положение. В другое крайнее положение поршень перемещается при подаче управляющего давления в канал (14). После снятия управляющего сигнала поршень возвращается в исходное состояние.