Регулятор потока МПГ55-25
✓ Сертифицированное оборудование
✓ Гарантия надежной эксплуатации
✓ Контроль качества на каждом этапе
✓ Современное оборудование
✓ Быстрая отгрузка
Основные параметры :
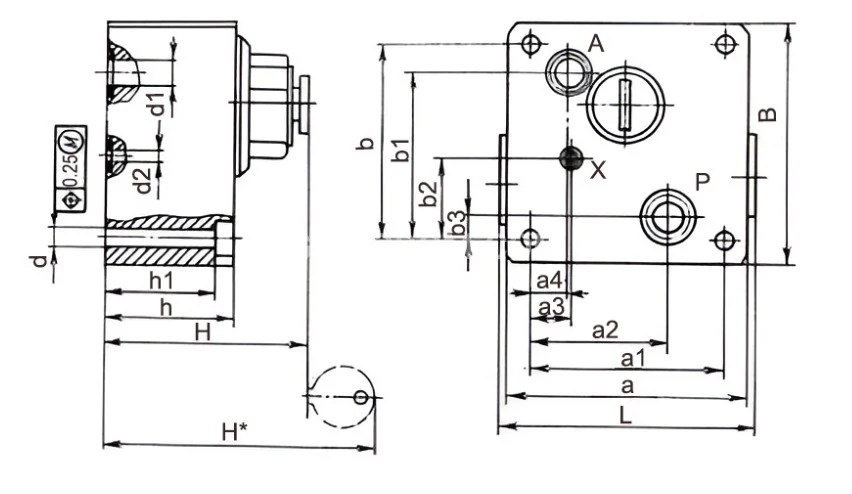
Условный проход , мм: 20
Давление ном., МПа: 20
Ном. расход на входе, л/мин: 200
Масса, кг: 15,5

Регулятор расхода (дроссель) МПГ55-22(24,25)М предназначен для гидросистем, в которых нужно поддерживать заданную скорость перемещения рабочих органов станков и других неподвижно работающих машин независимо от нагрузки.
Модернизированные регуляторы обычной прочности МПГ55-22М, МПГ55-24М, МПГ55-25М состоят из гидродросселя и редукционного клапана, который обеспечивает постоянный перепад давления на дросселирующей щели. Это позволяет расход рабочей жидкости через гидродроссель быть независимым от давления на входе и на выходе.
Гидравлические регуляторы потока МПГ-55-2 работают на минеральных маслах со степенью фильтрации 25 мкм, вязкостью 10–200 сСт при температуре масла от +10 до +70 °С и температуре окружающей среды от +1 до +40 °С.
Регуляторы расхода МПГ 55-2 выпускаются на номинальные давления 20 МПа и 32 МПа. В зависимости от номинального расхода рабочей жидкости регуляторы расхода МПГ55-2 бывают трёх исполнений:
- МПГ55-22 — условный проход 10 мм;
- МПГ55-24 — условный проход 16 мм;
- МПГ55-25 — условный проход 20 мм.
Описание работы регулятора потока МПГ55-25М (22М, 24М):
Рабочая жидкость из гидросистемы поступает к отверстию подвода 18, затем через отверстия 17 и 13 в корпусе и втулку 2. Далее жидкость через дросселирующую щель втулки 2 попадает к отверстию отвода 12. Отверстие 17 соединено с полостями 20 и 16, а отверстие отвода 12 — с полостью 14. Золотник 19 находится в равновесном состоянии под воздействием пружины 15 и сил, возникших при подводе давления в торцевые полости 20, 16 и 14. При увеличении давления в напорной магистрали гидросистемы давление в отверстиях 18, 17, 13 возрастает, что нарушает равновесие сил на золотниковый механизм.
Под действием гидростатических сил, создаваемых давлением рабочей жидкости в полостях 20 и 16, золотник смещается к пружине и тем самым изменяет сопротивление расходу рабочей жидкости; таким образом давление на входе в гидродроссель (отверстие 13) уменьшается по отношению к давлению в напорной магистрали. Так поддерживается постоянный перепад давления на дросселирующей щели.
Расход рабочей жидкости регулируется изменением проходного сечения дросселирующей щели во втулке 2 за счёт осевого перемещения дросселирующей втулки 3 с помощью гайки 4 в одну сторону и пружины 11 — в другую. Поворот гайки 4 передаётся через лимб 7 и винт 5. Лимб может поворачиваться до 4 оборотов. После каждого оборота лимба указатель оборотов 8 поворачивается на 1/4 оборота при помощи штифта и фиксируется шариком 9 и пружиной 10, чтобы предотвратить самопроизвольное вращение. Поворот лимба по часовой стрелке увеличивает расход рабочей жидкости, против — уменьшает. Фиксация лимба осуществляется гайкой 6.
Стыки пробок и корпуса, соединение регулировочного винта и втулки герметизируются резиновыми кольцами по ГОСТ 9833-73 (ГОСТ 18829-73). (Уточняется комплект поставки МПГ55-2...М в таблице ниже.)