регулятор расхода (дроссель) ПГ55-32
✓ Сертифицированное оборудование
✓ Гарантия надежной эксплуатации
✓ Контроль качества на каждом этапе
✓ Современное оборудование
✓ Быстрая отгрузка
Технические характеристики:
Условный проход, мм.: 10
Номинальное давление на выходе, МПа: 20
Номинальный расход рабочей жидкости, л./мин: 25
Тип монтажа: стыковой
Масса, кг.: 4,6

Регуляторы расхода ПГ55-32М и ПГ55-34М предназначены для поддержания заданной скорости перемещения рабочих органов стационарного оборудования, таких как станки и прессы, независимо от изменений нагрузки.
В отличие от регуляторов типа ПГ55-2, которые включают только гидродроссель и редукционный клапан, модели ПГ55-32 и ПГ55-34 дополнены обратным клапаном, позволяющим рабочей жидкости свободно течь в обратном направлении.
Эти регуляторы функционируют на минеральных маслах с уровнем фильтрации 25 мкм и вязкостью 10-200 сСт при температуре масла от +10 до +70 °C и температуре окружающей среды от +1 до +40 °C.
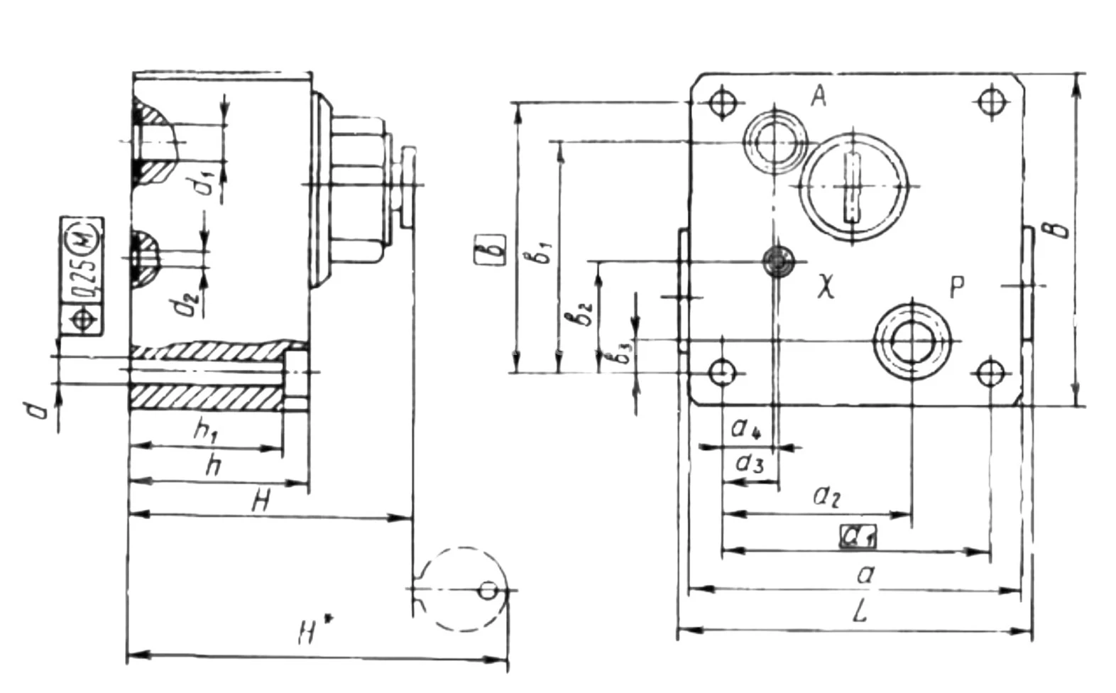
Структура и принцип работы регулятора, представленного на рисунке 1, включает корпус 1, втулку 2, втулку-дроссель 3, гайку 4, уплотнительные кольца 5, 25, 35, 36, гайку 7, регулировочный винт 8, втулку 9, лимб 10, указатель оборотов 11, пружины 12, 18, 22, 33, пробки 13, 14, 19, 20, 23, 24, 30, шарик 17, гидроклапан обратный 21 и золотник 27.
Регулятор расхода с обратным гидроклапаном представляет собой комбинацию гидродросселя, редукционного и обратного гидроклапанов. Редукционный гидроклапан поддерживает постоянный перепад давления на дросселирующей щели, что позволяет расходу масла через гидродроссель не зависеть от входного и выходного давления. Обратный гидроклапан обеспечивает свободное движение масла в обратном направлении, позволяя регулировать скорость только в одном направлении.
Масло поступает в отверстие «Подвод» 28, затем через отверстия 29 и 31 в корпус 1 к дросселирующей щели втулки 2. Далее оно направляется через отверстия во втулке 2 к отверстию «Отвод» 15 и полости 16. Золотник 27 находится в равновесии между усилиями пружины 33 и давлением в его полостях 226, 32 и 16. При росте давления в напорной магистрали, давление в отверстиях 28, 29 и 31 увеличивается, нарушая равновесие сил, действующих на золотник. Под воздействием давления масло в полостях золотник сдвигается, изменяя сопротивление в отверстии 29 и поддерживая постоянный перепад давления на дросселирующей щели.
Отверстия «Отвод» и «Подвод» также соединены с гидроклапаном обратным 21, который пропускает масло при движении рабочего органа в обратном направлении. Регулирование расхода масла осуществляется изменением проходного сечения дросселирующей щели за счет перемещения втулки дросселя 3 с помощью гайки 4 и пружины 12. Гайка 4 вращается с помощью лимба 10 через винт 8, где лимб может поворачиваться на 4 оборота. После каждого оборота лимб фиксирует указатель оборотов 11. Поворот лимба по часовой стрелке увеличивает, а против часовой – уменьшает расход масла. Фиксация лимба выполняется гайкой 7.
Для дистанционного управления предусмотрено отверстие, связанное с полостью 16. При использовании дистанционного управления в корпус 1 устанавливается заглушка, разделяющая полость 16 от отверстия «Отвод» 15, что позволяет получать несколько скоростей перемещения рабочего органа. Если дистанционное управление не требуется, отверстие не должно быть просверлено. Соединения регулировочного винта и втулки уплотняются резиновыми кольцами.
Перед началом работы необходимо распаковать гидроаппарат, осмотреть его и проверить комплектность. Для расконсервации следует удалить консервационную смазку с наружных поверхностей, используя бензин. Внутренние поверхности не подлежат расконсервации. Установка регулятора должна происходить в удобном и доступном для обслуживания месте, с креплением к панели или промежуточной плите четырьмя винтами. Шероховатость поверхности должна соответствовать Ra=1,6 мкм по ГОСТ 2789-73, а отклонение от плоскостности – не более 0,01 мм на длине 100 мм. Уплотнение стыковой плоскости осуществляется резиновыми кольцами.