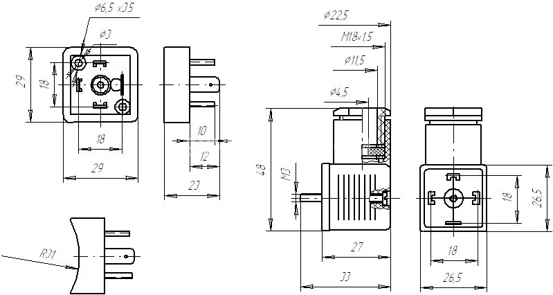
соеденитель электрический СЭ11-19
✓ Сертифицированное оборудование
✓ Гарантия надежной эксплуатации
✓ Контроль качества на каждом этапе
✓ Современное оборудование
✓ Быстрая отгрузка
Основные технические данные
| Номинальное рабочее напряжение переменного тока, В | 110, 220, 380 |
|---|---|
| Номинальное рабочее напряжение постоянного тока, В | 12, 24, 48, 110 |
| Номинальный рабочий ток, А | 6,3 |
| Число контактов: - основных - заземляющих |
2 (3) 1 |

Электрический разъём СЭ11-19 предназначен для подключения различных электромагнитных устройств, таких как электромагниты ПЭ35 и другие, а также электрических двигателей и различных электрических приборов к сети, работающей как на переменном, так и на постоянном токе. Эти соединители могут использоваться в однофазных и трехфазных цепях. Они имеют климатическое исполнение для умеренных и холодных регионов - УХЛ4 по ГОСТ 15150, а степень защиты составляет IP65 по ГОСТ 14255.
В комплекте с вилкой имеется уплотнительная прокладка, а для розетки предоставляются уплотнительная прокладка и винт М3 . Также доступна возможность поставки электрических разъёмов импортного производства, которые оснащены светодиодной индикацией наличия напряжения и встроенными выпрямительными и фильтрующими элементами.