Гидроклапан ECT 5 10 BV0C MUC720TB VICKERS
✓ Сертифицированное оборудование
✓ Гарантия надежной эксплуатации
✓ Контроль качества на каждом этапе
✓ Современное оборудование
✓ Быстрая отгрузка
Основные параметры клапана:
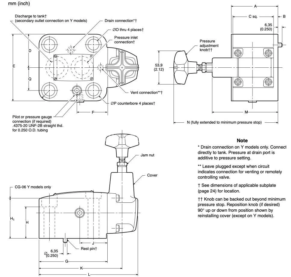
Диаметр условного прохода - 10 мм
Давление нагнетания ном. - 35 МПа
Расход рабочей жидкости ном. - 80 л
Присоединение : стыковое
Общая информация
Клапан CG-10 предназначен для установки на коллектор или плиту и доступен как в варианте предохранительного клапана, так и как клапан последовательности. Минимальное давление сброса определяет уровень давления, при котором клапан начинает работать (независимо от настроек),когда выпускной патрубок открыт для баков. Это действие может быть необходимо на некоторых этапах цикла. Используйте его только по указанию схемы.
Конструкция предохранительного клапана CG-10 предназначена для применения в случаях, когда требуется регулируемый предохранительный или регулирующий клапан для ограничения давления в гидравлической системе до заданного значения. Помимо выполнения функций обычного предохранительного клапана, предлагаются два дополнительных режима работы: первую— давление в системе может быть ограничено относительно низким давлением сброса за счет направления потока от выходного порта в бак; вторую — давление в системе можно контролировать удаленно, направляя поток из вентиляционного соединения на предохранительный клапан с дистанционным управлением, например, C-175 или CGR-02. Давление, установленное для предохранительного клапана, должно быть примерно на 10–14 бар выше фактического рабочего давления системы. Слишком высокое значение может привести к потере мощности и нецелесообразной нагрузке на насос и другие элементы системы.
Обозначение высокого расхода
В моделях CG-10 с высоким расходом предусмотрена пружина высокого расхода. Подключение к баку должно осуществляться таким образом, чтобы поток из Т-образного порта направлялся непосредственно в бак для минимизации противодавления. Всякое давление в линии бака добавляется к установленному давлению. Если противодавление в линии бака превышает давление в системе на 7 бар, это может вызвать неисправность. Для получения альтернативных вариантов проконсультируйтесь с представителем Vickers.
Клапан последовательности
Конструкция
Версии клапанов CG-10 типа «Y» предназначены для приложений, требующих регулируемого клапана, управляемого давлением, для управления последовательностью потока в другой ветви системы.
Работа последовательности
Когда давление на входном патрубке превышает установленное значение клапана, поток из напорного входа направляется во вторичный выходной порт, который получает полное давление. Обратные соединения свободного потока в данной конструкции отсутствуют. Выберите соответствующий диапазон давления для клапана, чтобы избежать избыточного рабочего давления на насос и другие устройства. Эти клапаны последовательности выполняют аналогичные функции, как и RG-10, но способны работать на более высоких расходах и быстрее выполнять последовательность с меньшими перепадами давления.