Гидроклапан обратный C4V03-530 2B1 Denison
✓ Сертифицированное оборудование
✓ Гарантия надежной эксплуатации
✓ Контроль качества на каждом этапе
✓ Современное оборудование
✓ Быстрая отгрузка
Основные параметры клапана:
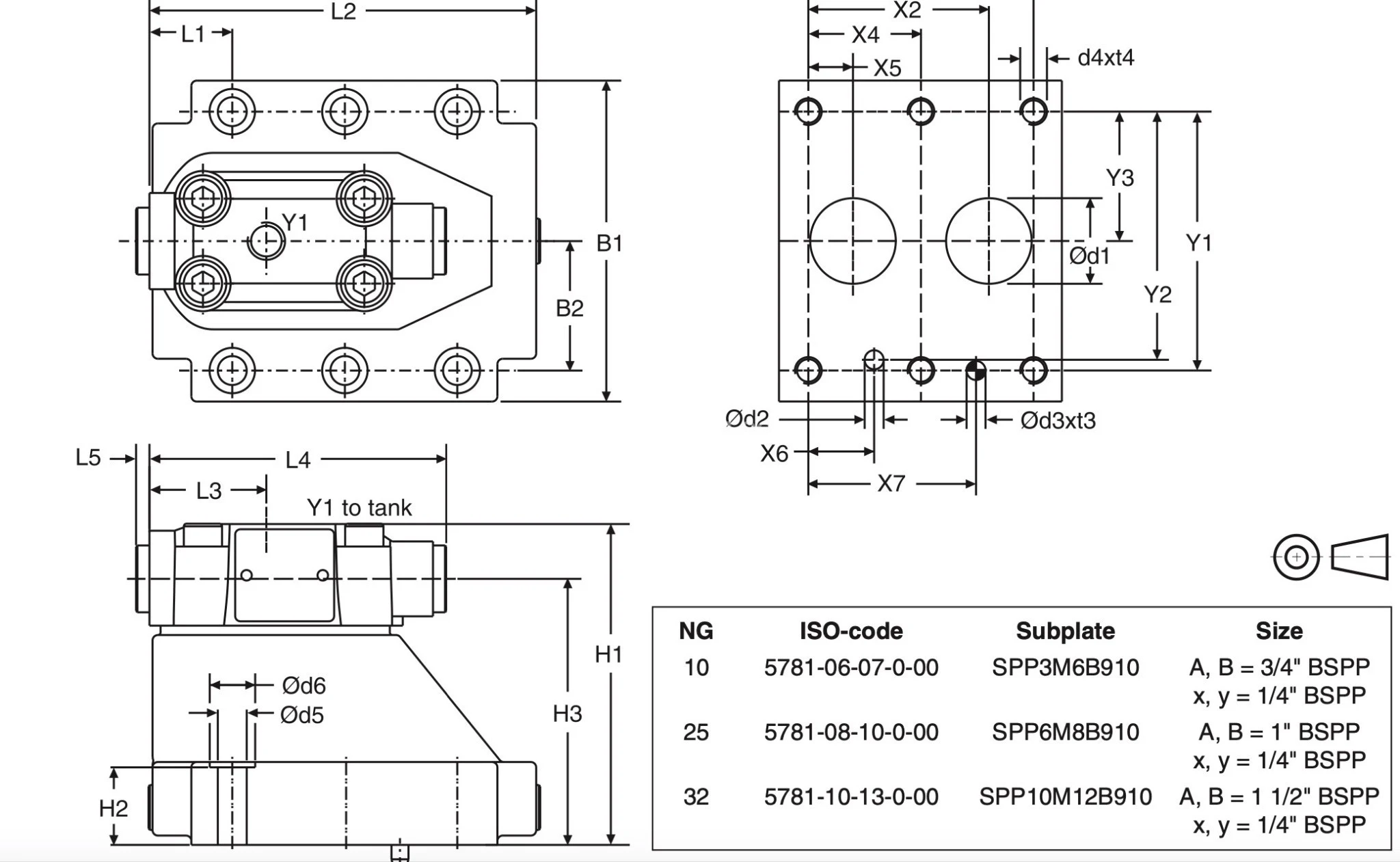
Диаметр условного прохода: 10 мм
Давление нагнетания ном. - 35 МПа
Расход рабочей жидкости ном. - 150 л/мин
Тип монтажа: стыковой

Общее описание
Гидравлические пилотные обратные клапаны серии C4V обеспечивают свободный поток жидкости из порта A в порт B, в то время как обратный поток блокируется. Когда давление подается на порт управления X, поток из порта B в порт A открывается. Доступно до четырех различных вариантов пилотного управления . Эти обратные клапаны позволяют жидкости свободно проходить из A в B, но блокируют обратный поток. Серия C4V включает картридж с герметичным седлом.
Эксплуатация
При отсутствии давления на порт X поток из порта B в порт A блокируется, так как давление в порту B действует на верхнюю часть тарелки. При подаче давления на порт X происходит разряжение верхней области тарелки через дренажный порт, что позволяет потоку двигаться из B в A. Конструкция седла клапанов серии C4V гарантирует герметичное разделение портов A и B в закрытом состоянии.