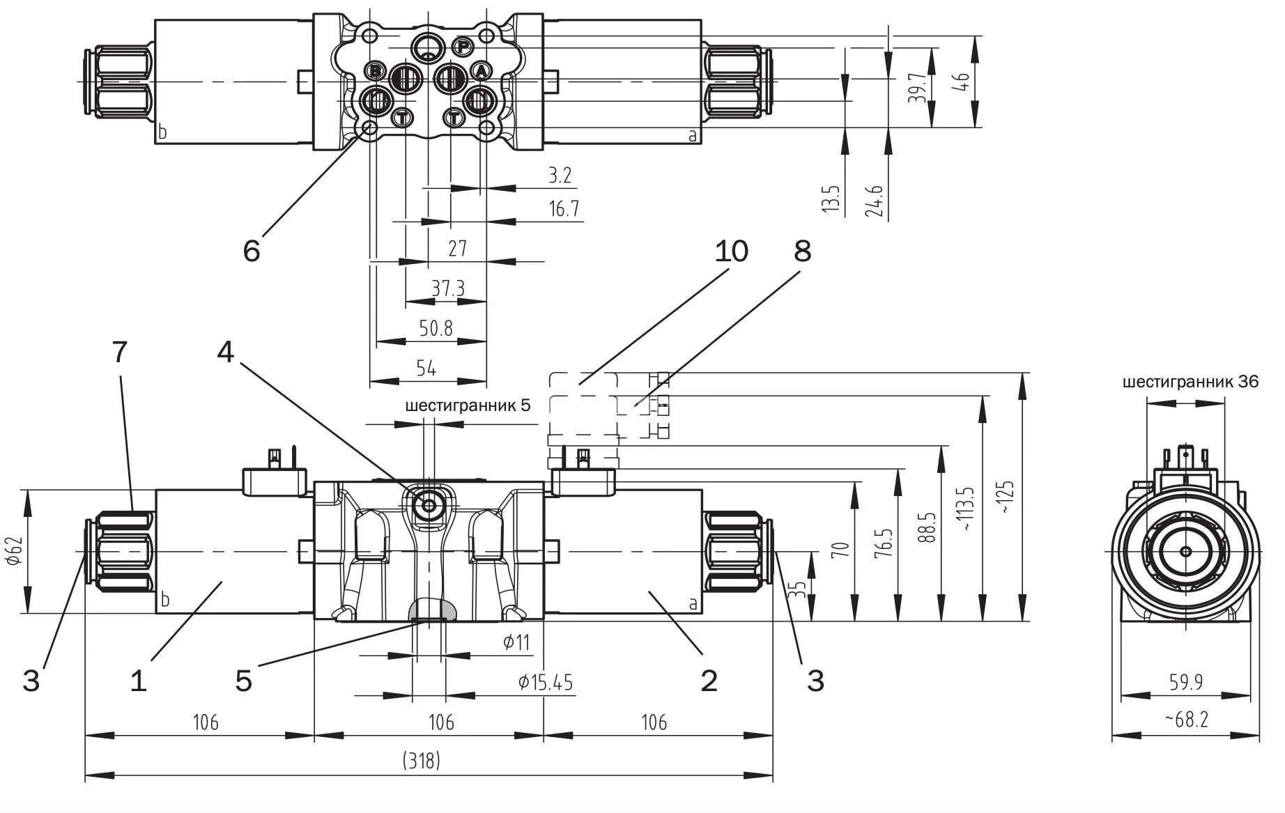
Гидрораспределитель DS3-RK-10N Duplomatik
✓ Сертифицированное оборудование
✓ Гарантия надежной эксплуатации
✓ Контроль качества на каждом этапе
✓ Современное оборудование
✓ Быстрая отгрузка
Основные технические данные
Условный проход : 6мм
Рабочее давление: 35МПа
Пропускная способность: 60л.
Напряжение: 12в., 24в., 110в., 220в., 380в.
Тип монтажа: модульный (стыковой, плиточный)
Масса : 1,45 кг с одним эл.магнитом, 1,95 кг - с двумя эл.магнитами
Схема распределения потока рабочей жидкости:


Представлен широкий выбор моделей с различными положениями золотника в статическом состоянии. В модели типа S используется четырехходовой распределитель с тремя позициями и двумя соленоидами, при этом центровка золотника обеспечивается посредством пружин. Модели TA и TC являются четырехходовыми распределителями с двумя позициями и одним соленоидом, где золотник в неактивном состоянии фиксируется возвратной пружиной. Распределитель типа RK также имеет четыре хода и две позиции, оснащен двумя соленоидами и включает механическую фиксацию золотника в крайних положениях при отключении соленоидов. Вариант 23 представляет собой 3-ходовой распределитель с двумя позициями и одним соленоидом, для которого применяется возвратная пружина для поддержания золотника в неподвижном состоянии.
Рекомендуется применять гидравлические жидкости на минеральной основе, дополненные необходимыми антивспенивающими и антиоксидантными добавками. Если предполагается использование других типов жидкостей, таких как вода, гликоль или фосфатные эфиры, необходимо проконсультироваться с техническим отделом. Работа с жидкостями при температурах выше 70 °C может ускорить ухудшение их свойств и качеств уплотнений, поэтому критически важно, чтобы жидкости сохраняли свои физические и химические параметры.
Специальные графики описывают зависимость рабочего расхода от давления электромагнитного клапана для соленоидов как переменного, так и постоянного тока. Эти данные были получены при вязкости 36 сСт, температуре 50 °C и фильтрации 25 мкм, с учетом номинального напряжения, равного 90% от стандартного. Конструкция клапана состоит из двух основных частей: трубки и катушки. Трубка фиксируется на корпусе клапана, где находится якорь, свободно перемещающийся в жидкости без износа. Внутреннее устройство трубки, взаимодействующее с возвратной линией, предназначено для теплоотведения. Трубки для переменного тока отличаются от аналогичных, предназначенных для постоянного тока, что можно определить по букве «A», выбитой на задней стороне, со стороны ручного управления.
Катушка соединена с трубкой резьбовой гайкой и может поворачиваться на 360°, подстраиваясь под доступное пространство. Взаимозаменяемость катушек с различными напряжениями возможна в рамках одного типа тока, как для переменного, так и для постоянного. Также предлагаются специальные решения по запросу, помимо стандартных напряжений. Катушки CCR предназначены для работы в системах с выпрямленным током, используемом для питания клапанов с трубкой постоянного тока. Для подачи выпрямленного тока необходимо установить выпрямитель, который может быть либо внешним, либо встроенным в разъемы типа «D», между источником переменного тока и катушкой.
Активирование электромагнитного клапана осуществляется с учетом различных электрических переходных процессов, зависящих от типа питания. При подключении переменного тока сначала наблюдается фаза с максимальным движением, во время которой соленоид потребляет высокие токи (пусковой ток); по мере снижения хода плунжера значения тока уменьшаются и достигают минимальных значений (удерживающий ток),когда плунжер достигает конечной точки своего хода. При использовании постоянного тока потребляемый ток остается стабильным и определяется законом Ома.
Конструкции с центрирующими и возвратными пружинами могут устанавливаться в любой ориентации, в то время как клапаны типа RK, лишенные пружин и имеющие механический фиксатор, требуют горизонтальной установки. Монтаж клапана выполняется с использованием винтов или стяжных шпилек, при этом клапан устанавливается на подготовленной ровной поверхности с соблюдением строгих требований плоскостности и гладкости, указанных в проектной документации; пренебрежение этими требованиями может привести к утечкам жидкости между клапаном и монтажной плоскостью. Для тропических условий следует выбирать вариант CM. Также следует учитывать, что электромагнитные клапаны не комплектуются соединителями; их необходимо заказывать отдельно.
Электромагнитный клапан модели MD1D может быть дополнен устройством плавного переключения (опция G),что обеспечивает плавное переключение между конфигурациями клапана. Эти клапаны идеально подходят для плавного управления приводом, позволяя снизить колебания давления. Среднее время переключения колеблется от 120 до 180 мс при вязкости 36 сСт и температуре 50 °C. Важно отметить, что время срабатывания клапана зависит не только от гидравлических условий (потока и давления),но и от температуры и вязкости жидкости.
Такая функция возможна исключительно с соленоидами постоянного тока. Рекомендуется применять золотники с дроссельными отверстиями, например, типы S12 и S42, для оптимизации эффекта плавного переключения. В качестве примера кода клапана можно привести MD1D-S12/G/50-24VCC. Кроме того, помимо стандартных конфигураций золотников, компания Duplomatic готова разработать индивидуальную схему соединений в соответствии с конкретными запросами для разнообразных применений; для получения информации о идентификации, осуществимости и эксплуатационных ограничениях можно обратиться в технический отдел.