Гидрораспределитель DS3-S1/10V-D 00 Duplomatik
✓ Сертифицированное оборудование
✓ Гарантия надежной эксплуатации
✓ Контроль качества на каждом этапе
✓ Современное оборудование
✓ Быстрая отгрузка
Основные технические данные
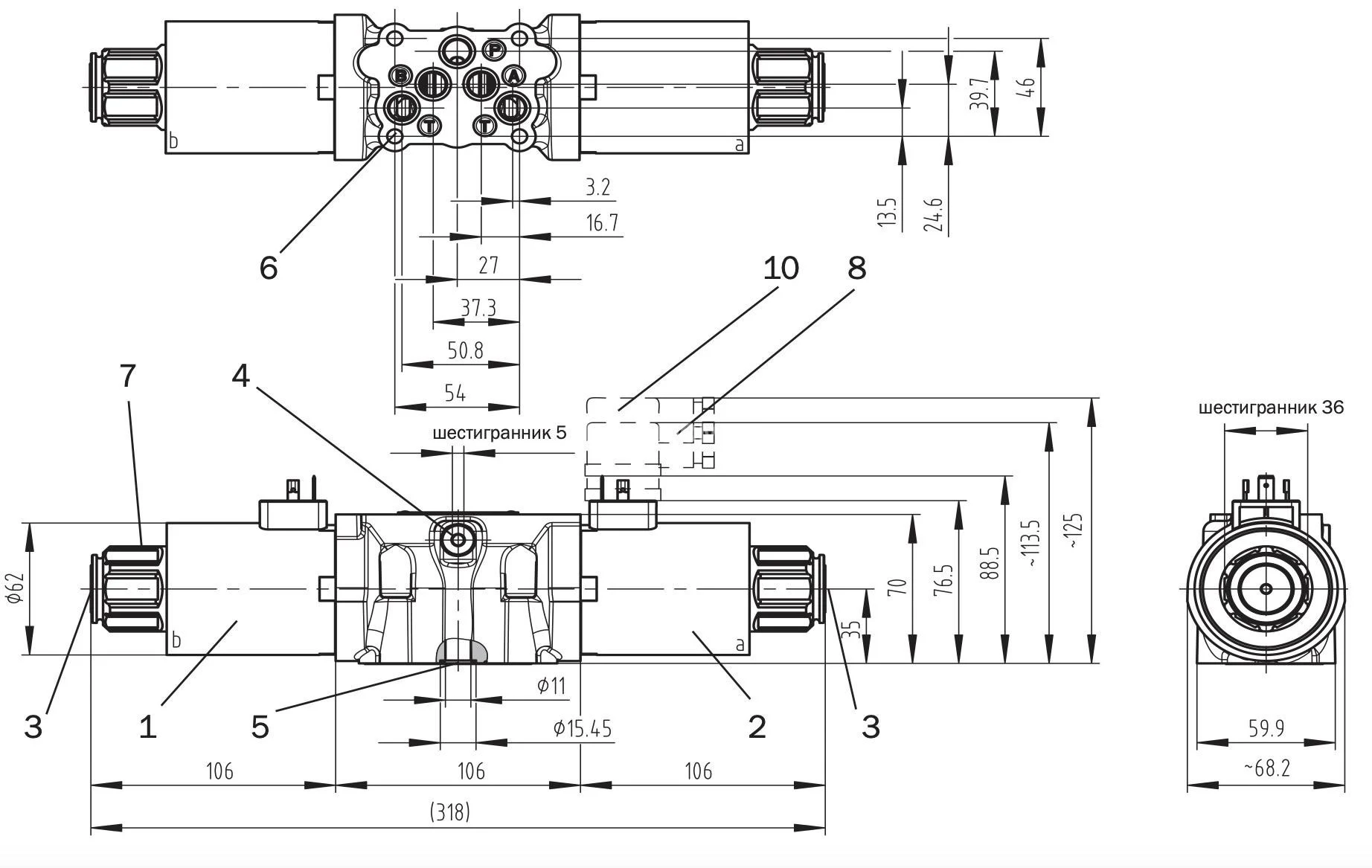
Условный проход : 6мм
Рабочее давление: 35МПа
Пропускная способность: 60л.
Напряжение: 12в., 24в., 110в., 220в., 380в.
Тип монтажа: модульный (стыковой, плиточный)
Масса : 1,45 кг с одним эл.магнитом, 1,95 кг - с двумя эл.магнитами
Схема распределения потока рабочей жидкости:


Имеется широкий выбор моделей с различными положениями золотника в состоянии покоя. Модель типа S оснащена четырехходовым распределителем, который имеет три позиции и два соленоида, при этом золотник центрируется за счет пружин. Модели TA и TC представляют собой четырехходовые распределители с двумя позициями и одним соленоидом, где возвратная пружина помогает удерживать золотник в неактивном состоянии. Распределитель типа RK также имеет четырехходовую схему и две позиции, два соленоида и механическую фиксацию золотника в крайних положениях при отсутствии питания. Модель 23 — это трехходовой распределитель с двумя позициями и одним соленоидом, использующий возвратную пружину для закрепления золотника.
Рекомендуется применять гидравлические жидкости на основе минерального масла, дополненные необходимыми антивспенивающими и антиоксидантными добавками. Если предполагается использование других типов жидкостей, таких как вода, гликоль или фосфатные эфиры, следует проконсультироваться с техническим отделом. Работая с жидкостями при температурах выше 70 °C, можно ускорить ухудшение их свойств и характеристик уплотнений, что подчеркивает важность сохранения их физических и химических параметров.
Специальные графики отображают зависимость рабочего расхода от давления электромагнитного клапана для соленоидов с переменным и постоянным током. Эти данные были получены при вязкости 36 сСт, температуре 50 °C и фильтрации 25 мкм, учитывая номинальное напряжение на уровне 90% от стандартного. Конструкция клапана состоит из двух основных частей: трубки и катушки. Трубка устанавливается на корпусе клапана, где находится якорь, который свободно перемещается в масле без износа. Внутреннее устройство трубки, взаимодействующее с возвратной линией, выполняет функцию теплоотводящей системы. Трубки для переменного тока отличаются от аналогов для постоянного тока, что можно определить по букве «A», выбитой с обратной стороны, со стороны ручного управления.
Катушка фиксируется к трубке с помощью резьбовой гайки и имеет возможность вращения на 360°, что позволяет ей адаптироваться к доступному пространству. Замена катушек с различными напряжениями возможна в пределах одного типа тока, как для переменного, так и для постоянного. Также есть возможность заказа специальных решений помимо стандартных напряжений. Катушки типа CCR предназначены для работы в системах с выпрямленным током, используемым для питания клапанов с трубкой постоянного тока. Для подключения выпрямленного тока необходимо установить выпрямитель, который может быть как внешним, так и встроенным в разъемы типа «D», между источником переменного тока и катушкой.
Активация электромагнитного клапана происходит с учетом различных электрических переходных процессов, связанных с типом питания. При подаче переменного тока сначала наблюдается фаза с максимальным движением, в течение которой соленоид потребляет увеличенные токи (пусковой ток); по мере снижения хода плунжера ток падает и достигает минимальных значений (удерживающий ток),когда плунжер достигает своей конечной точки. При постоянном токе потребляемый ток остается стабильным и определяется законом Ома.
Системы с центрирующими и возвратными пружинами могут быть установлены в любом положении, однако клапаны типа RK, не имеющие пружин и обладающие механическим фиксатором, требуют горизонтального монтажа. Установка клапана осуществляется при помощи винтов или стяжных шпилек, при этом клапан монтируется на подготовленной ровной поверхности с соблюдением строгих нормативов плоскостности и гладкости, указанных в чертеже. Игнорирование этих требований может привести к утечкам жидкости между клапаном и монтажной поверхностью. Для тропических условий следует выбрать опцию CM. Также следует отметить, что электромагнитные клапаны не комплектуются соединителями; их необходимо заказывать отдельно.
Электромагнитный клапан модели MD1D может быть дополнен устройством плавного переключения (опция G),что позволяет осуществлять мягкое переключение между конфигурациями клапана. Эти клапаны отлично подходят для плавного управления приводом, тем самым снижая колебания давления. Среднее время переключения составляет от 120 до 180 мс при вязкости 36 сСт и температуре 50 °C. Важно учитывать, что время срабатывания клапана зависит не только от гидравлических условий (потока и давления),но и от температуры и вязкости жидкости.
Такой функционал возможен исключительно с соленоидами постоянного тока. Рекомендуется использовать золотники с дросселирующими отверстиями, такие как S12 и S42, для улучшения эффекта плавного переключения. Например, код клапана может выглядеть как MD1D-S12/G/50-24VCC. Кроме того, помимо стандартных конфигураций золотников, компания Duplomatic готова разработать индивидуальные схемы соединений в соответствии с особы