Гидрораспределитель Р80-3/1-444 (МР80-4/1-444)
✓ Сертифицированное оборудование
✓ Гарантия надежной эксплуатации
✓ Контроль качества на каждом этапе
✓ Современное оборудование
✓ Быстрая отгрузка
Технические характеристики:
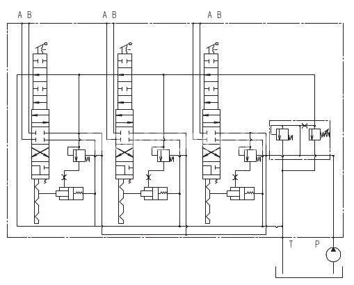
Тип распределителя — клапанно-золотниковый моноблочный;
Тип золотника — с закрытым центром, уравновешенный с торцов;
Количество золотников — 3
Диаметр золотника, мм — 25
Позиции золотника — «Подъем», «Нейтральная», «Опускание принудительное «, «Плавающая «
Фиксация положений золотников в позиции — «Подъем» и «Опускание принудительное» (с помощью шарикового замка)
Возврат из позиции — «Подъем» и «Опускание принудительное» автоматически (по достижении заданного давления)
Возврат из позиции — «Плавающая» вручную
Тип предохранительного клапана — дифференциальный, постоянного давления
Макс, давление, МПа — 20,0
Масса распределителя, кг — 18
Схема распределения потока рабочей жидкости:


Гидрораспределитель Р80-3/1-444 (ранее обозначавшийся как Р75-П3А и Р75-43) представляет собой моноблочный распределитель, который имеет значительное значение в гидравлической системе различных моделей отечественных экскаваторов, бульдозеров, трубоукладчиков и других машин, оснащенных насосами с производительностью до 100 л/мин. Он выполняет функцию распределения рабочей жидкости в гидравлическом контуре, обеспечивая эффективную работу гидроцилиндров и других ключевых компонентов. Кроме того, данный распределитель предотвращает перегрузку системы и обеспечивает её разгрузку, перекачивая рабочую жидкость в специальный резервуар.
Существует два типа распределителей в данной серии: двухсекционные и трехсекционные. Наиболее популярным трехсекционным распределителем является Р80-3/1-222, который часто устанавливают на трактора МТЗ и ЮМЗ. В числе двухсекционных распределителей самым распространенным является Р80-3/1-22, используемый на тракторах Т-25 и Т-16, хотя эти агрегаты можно применять и на других машинах.
Большинство распределителей оснащены золотниками типов «2» и «4». Золотник типа «2» обеспечивает автоматическое отключение в позициях: подъем, опускание и фиксация. Он имеет четыре положения: подъем, нейтральное, опускание и плавающее. Положение "плавающее" используется при установке навесного и прицепного оборудования. Золотник типа «4» имеет три положения: подъем, нейтральное и опускание. У него нет фиксируемых положений и автоматического отключения, поэтому его применяют для техники, выполняющей погрузочно-разгрузочные работы, такой как тракторы, погрузчики, бульдозеры и другие.
Распределитель необходимо использовать с насосами типов НШ 10-3, НШ32-3 или НШ50-3. Гидрораспределитель должен размещаться на машине не ниже уровня верхней точки масляного бака.
Обозначение гидрораспределителей типа Р80 имеет следующую структуру:
Р 80 3 / Х - ХХ
где Р обозначает распределитель, 80 – номинальный расход в литрах в минуту, 3 – код давления, Х – код эксплуатационного назначения, а ХХ – коды типов золотников (порядок кодирования от переливного клапана).