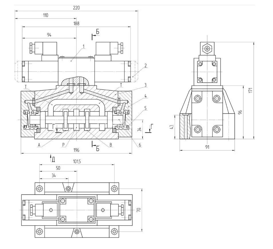
Гидрораспределитель РПГ16/3СЕ34
✓ Сертифицированное оборудование
✓ Гарантия надежной эксплуатации
✓ Контроль качества на каждом этапе
✓ Современное оборудование
✓ Быстрая отгрузка
Основные технические данные
Условный проход : 16мм
Рабочее давление: 32МПа
Пропускная способность: 160-200л.
Напряжение: 24в., 110в., 220в.
Тип монтажа: модульный (стыковой, плиточный)
Масса : не более 16,5 кг
Схема распределения потока рабочей жидкости:

![]() |
|||||
|---|---|---|---|---|---|
Гидрораспределитель РПГ 16/3 СЕ34 относится к категории оборудования с внутренним управлением, предназначенного для эффективного распределения потоков рабочей жидкости в определённой гидросистеме. Это достигается за счёт перекрытия или разрешения движения отдельных подающих линий, когда распределитель получает внешнее направленное воздействие. Таким образом, в нужный момент обеспечивается раздельный доступ жидкости к различным компонентам и агрегатам, составляющим гидросистему, что, в свою очередь, гарантирует её стабильное функционирование.
Все составные части модели РПГ 16/3 СЕ34 — запирающие, управляющие и соединительные элементы — были протестированы на работоспособность в заводских условиях. Кроме того, гидравлический распределитель в сборе прошёл стендовые испытания и полностью соответствует всем техническим требованиям, предъявляемым к оборудованию данного типа.
Данный распределитель устанавливается в гидравлические механизмы для контроля прохода рабочей жидкости к исполнительным органам.
Принцип его работы достаточно прост: в корпусе, выполненном из цельного литого материала, расположены каналы для подачи и отведения рабочей жидкости (чаще всего минерального масла). Масло направляется к исполнительным механизмам, и в процессе его движения встречает цилиндрический золотник, который либо открывает, либо закрывает поток жидкости. Управление движением золотника осуществляется с помощью стандартной рукояти. Перемещение одной из двух комплектных рукоятей позволяет направить жидкость в необходимый канал или полностью перекрыть поток.
Возврат распределителя в исходное положение достигается благодаря встроенной пружине или приведению в движение второй торцевой рукояти.
Характерной чертой распределителей серии РПГ является их широкий ассортимент гидравлических схем управления и возможность внешнего контроля за движением золотника.
