Гидрораспределитель ВЕХ16.54
✓ Сертифицированное оборудование
✓ Гарантия надежной эксплуатации
✓ Контроль качества на каждом этапе
✓ Современное оборудование
✓ Быстрая отгрузка
Основные технические данные
Условный проход : 16мм
Рабочее давление: 31,5МПа
Пропускная способность: 160-200л.
Напряжение: 24в., 110в., 220в.
Тип монтажа: модульный (стыковой, плиточный)
Масса : не более 16,5 кг
Схема распределения потока рабочей жидкости:

![]() |
|||||
|---|---|---|---|---|---|
Гидрораспределители типа ВЕХ16 являются золотниковыми четырехлинейными системами с электрогидравлическим управлением, имеющими диаметр условного прохода 16 мм. Эти устройства предназначены для направления, остановки и запуска потока рабочей жидкости в гидравлических системах станков, прессов и других стационарных машин, работающих при давлениях до 32 МПа. В качестве рабочей жидкости рекомендуется использовать масла, такие как индустриальное ИГП-30, турбинные масла Тп-22, Тп-30 и ВНИИНП-403, а также другие жидкости с аналогичными характеристиками, отвечающие классу чистоты не ниже 13 по ГОСТ 17216-71 и с кинематической вязкостью от 10 до 400 сСт. При этом тонкость фильтрации не должна превышать 0,025 мм.
В процессе наладки или в случае аварийной ситуации, когда электромагниты обесточены, переключение гидрораспределителя может выполняться с помощью нажатия кнопки ручного управления при условии подачи потока управления. Правила техники безопасности при эксплуатации гидрораспределителей типа ВЕХ16 регламентированы ГОСТ 31177-2003.
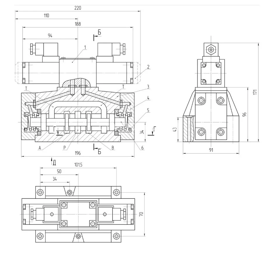
Корпус гидрораспределителя выступает в качестве основной детали, где расположены главные каналы. Одно отверстие предназначено для входа рабочей жидкости под давлением, два других — для соединения с другими устройствами, дренажное отверстие отводит жидкость в бак, а также имеются вход и выход для управления потоком.
В гидрораспределителе с электрогидравлическим управлением золотник перемещается под воздействием давления потока управления из своего исходного положения. Возврат золотника в начальное положение происходит либо с помощью пружины (при пружинном возврате),либо за счет давления управления (в случае гидравлического возврата).
Гидрораспределители разрабатываются так, чтобы поток управления не имел зависимости от основного потока. Для переключения на управление основным потоком нужно снять крышку, извлечь палец, перевернуть его на 180 градусов и вновь установить на место. При этом вход для потока управления должен быть закрыт. Слив потока управления не должен соединяться с основным потоком, если давление в сливе превышает 6 МПа, или для трипозитивного гидрораспределителя с гидравлическим возвратом золотника.
В качестве вспомогательного элемента может применяться распределитель типа ВЕ6.34... или 1РЕ6.34... для конфигураций с пружинным возвратом, а также ВЕ6.24... или 1РЕ6.24... для гидравлического возврата. Гидрораспределитель может комплектоваться различными вспомогательными узлами и устройствами.
Одним из таких устройств является дроссельная плита, предназначенная для настройки времени срабатывания гидрораспределителя. Поворачивая регулировочный винт по часовой стрелке, время увеличивается, а против часовой — уменьшается. Регулировка возможна как на подводе, так и на отводе управляемого потока, при этом для изменения метода регулировки необходимо снять дроссельную плиту и перевернуть ее на 180 градусов.
Также предусмотрено устройство для регулировки длины хода золотника, где один оборот винта соответствует смещению на 1,5 мм. Регулировку желательно выполнять при отключенном питании. В конструкциях, работающих от основного потока, используется обратный гидроклапан для создания минимального давления управления.
Дополнительные устройства могут включать диафрагму для ограничения потока управления, что способствует увеличению времени срабатывания устройства, и гидроклапан соотношения давлений, который снижает давление управления в соотношении 1:0,66 для систем с давлениями выше 25 МПа. Для упрощения монтажа предусмотрена возможность поставки гидрораспределителя с присоединительной плитой.
